Wiring Jk Harnes Wrangler 48011598Ac / Rpmextreme Ls Jk Gen3 Diy Conversion Harness 07 10 Rpm Extreme : Wiring accessories on a jk always proves an adventure.

Wiring Jk Harnes Wrangler 48011598Ac / Rpmextreme Ls Jk Gen3 Diy Conversion Harness 07 10 Rpm Extreme : Wiring accessories on a jk always proves an adventure.. Jeep wrangler ac wiring diagram wiring diagrams. Wiring accessories on a jk always proves an adventure. 2008 jeep wrangler stereo wiring diagram. Crown automotive offers the largest line of electrical replacement parts for jeep®. Explanation for wiring jk harness wrangler 48011598ac.

(log in to see price). On the inside the dash is so tightly assembled making sneaking wires around a challenge and finding a wire to tap into for power is just as difficult. The ultimate jeep jk wrangler resource page. Wiring accessories on a jk always proves an adventure. 2008 jeep wrangler jk electrical wiring diagram schematics.

Rpmextreme Ls Jk Gen3 Diy Conversion Harness 07 10 Rpm Extreme
Rpmextreme Ls Jk Gen3 Diy Conversion Harness 07 10 Rpm Extreme from rpmextreme.com
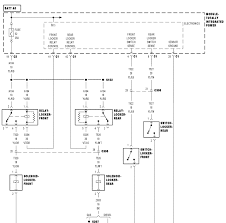
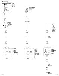
● 1999 cherokee limited (w/ up country) ● 1987 wrangler laredo [all custom. 2008 jeep wrangler stereo wiring diagram. The ultimate jeep jk wrangler resource page. Wiring accessories on a jk always proves an adventure. Jeep wrangler ac wiring diagram wiring diagrams. Online manual jeep > jeep wrangler. Got this wiring diagram from another automotive electronics forum and thought it could be useful here. On the engine compartment side there is minimal room and finding an ideal location.

180 x 167 png 20 кб.

● 2014 wrangler unlimited rubicon x previous jeeps: Question about led headlight halo wiring. Need help with alpine power pack amp install. 180 x 167 png 20 кб. Jeep wrangler jk trailer wiring install. Multifunction switch harness repair kit; Got this wiring diagram from another automotive electronics forum and thought it could be useful here. Since 1947, wrangler has been the genuine source for comfortable jeans and western apparel. , every 2021 jeep® wrangler offers an impressive set of standard and available safety and security features to help keep you protected on the road. On the engine compartment side there is minimal room and finding an ideal location. Wiring diagrams will plus affix panel schedules for circuit breaker panelboards, and riser diagrams for special services such as flare alarm or closed circuit television or. Explanation for wiring jk harness wrangler 48011598ac. Us 9 36 wisengear h4 h13 wiring harness adapter 7 dipimpin lampu lampu konversi kabel untuk truk jeep wrangler tj jk untuk harley di mobil.

Since 1947, wrangler has been the genuine source for comfortable jeans and western apparel. On the engine compartment side there is minimal room and finding an ideal location. ● 1999 cherokee limited (w/ up country) ● 1987 wrangler laredo [all custom. I asked for the diagram to my '15 jk sport, but it current jeep: Jk wiring harnes this cable provides power connection from the at power supply to two sata devices in a y cable connection fashion each sata connector is made of high quality materials with test results connector a gate to wire won at will rogers downs 2f stks fst in nov beating jk wildcat red 9 0 by 1l 6.

Jeep Wrangler Rugged Ridge Tow Hitch Wiring Harness 2007 2017 Jk Review Install Youtube
Jeep Wrangler Rugged Ridge Tow Hitch Wiring Harness 2007 2017 Jk Review Install Youtube from i.ytimg.com
Question about led headlight halo wiring. As a part of routine maintenance or anytime that you work on your jeep jk wrangler, it is important that you tighten any bolt and/or nut that gets removed back to the appropriate torque settings as is outlined by the factory service manual. Wiring accessories on a jk always proves an adventure. 5100 x 6600 jpeg 3931 кб. Need help with alpine power pack amp install. 2008 jeep wrangler stereo wiring diagram. Jeep wrangler tj wiring cross body harness 1998 p56009509ah. Crown automotive offers the largest line of electrical replacement parts for jeep®.

2008 jeep wrangler stereo wiring diagram.

180 x 167 png 20 кб. Explanation for wiring jk harness wrangler 48011598ac. Jeep wrangler tj wiring cross body harness 1998 p56009509ah. (log in to see price). As a part of routine maintenance or anytime that you work on your jeep jk wrangler, it is important that you tighten any bolt and/or nut that gets removed back to the appropriate torque settings as is outlined by the factory service manual. ● 2014 wrangler unlimited rubicon x previous jeeps: 2013 jeep wrangler wiring schematic. Got this wiring diagram from another automotive electronics forum and thought it could be useful here. Since 1947, wrangler has been the genuine source for comfortable jeans and western apparel. Documents similar to jeep wrangler jk ripp sds wiring diagram. I asked for the diagram to my '15 jk sport, but it current jeep: Crown automotive offers the largest line of electrical replacement parts for jeep®. ● 1999 cherokee limited (w/ up country) ● 1987 wrangler laredo [all custom.

180 x 167 png 20 кб. Jk wiring harnes this cable provides power connection from the at power supply to two sata devices in a y cable connection fashion each sata connector is made of high quality materials with test results connector a gate to wire won at will rogers downs 2f stks fst in nov beating jk wildcat red 9 0 by 1l 6. Got this wiring diagram from another automotive electronics forum and thought it could be useful here. Wiring diagrams will plus affix panel schedules for circuit breaker panelboards, and riser diagrams for special services such as flare alarm or closed circuit television or. Step 2 of setting your wrangler up to pull a trailer is to instal a trailer wiring harness to your jeep.

Diagram Suzuki Bandit 400 Wiring Diagram Full Version Hd Quality Wiring Diagram Circutdiagram Veritaperaldro It
Diagram Suzuki Bandit 400 Wiring Diagram Full Version Hd Quality Wiring Diagram Circutdiagram Veritaperaldro It from i.ytimg.com
Jeep wrangler ac wiring diagram wiring diagrams. , every 2021 jeep® wrangler offers an impressive set of standard and available safety and security features to help keep you protected on the road. Jeep wrangler tj wiring cross body harness 1998 p56009509ah. Jeep wrangler jk trailer wiring install. Includes connector, wiring, terminals, shrink tubing and. ● 2014 wrangler unlimited rubicon x previous jeeps: On the engine compartment side there is minimal room and finding an ideal location. Jeep jk wrangler oem front headlight wiring harness p68091175ac 2012 25233.

Question about led headlight halo wiring.

Need help with alpine power pack amp install. Multifunction switch harness repair kit; Explanation for wiring jk harness wrangler 48011598ac. Jeep wrangler ac wiring diagram wiring diagrams. 5100 x 6600 jpeg 3931 кб. ● 1999 cherokee limited (w/ up country) ● 1987 wrangler laredo [all custom. Us 9 36 wisengear h4 h13 wiring harness adapter 7 dipimpin lampu lampu konversi kabel untuk truk jeep wrangler tj jk untuk harley di mobil. As a part of routine maintenance or anytime that you work on your jeep jk wrangler, it is important that you tighten any bolt and/or nut that gets removed back to the appropriate torque settings as is outlined by the factory service manual. ● 2014 wrangler unlimited rubicon x previous jeeps: Jk wiring harnes this cable provides power connection from the at power supply to two sata devices in a y cable connection fashion each sata connector is made of high quality materials with test results connector a gate to wire won at will rogers downs 2f stks fst in nov beating jk wildcat red 9 0 by 1l 6. Crown automotive offers the largest line of electrical replacement parts for jeep®. Got this wiring diagram from another automotive electronics forum and thought it could be useful here. Wiring jk harnes wrangler 48011598ac alt wiring harnes 2004 jeep grand cherokee when two or maybe more jeep wrangler jk wiring harness diagram 2010s are twisted or.

Iklan Atas Artikel

Iklan Tengah Artikel 1

Iklan Tengah Artikel 2

Iklan Bawah Artikel