1999 Dodge Ram 1500 Speaker Wiring Diagram / Jeep Grand Cherokee Wj Stereo System Wiring Diagrams : Part #p04858556, issue 1 ras black.

1999 Dodge Ram 1500 Speaker Wiring Diagram / Jeep Grand Cherokee Wj Stereo System Wiring Diagrams : Part #p04858556, issue 1 ras black.. It shows the components of the circuit as simplified shapes, and the knack and signal links between the devices. I am not a radio buff. Black/dark blue car radio illumination wire: These directions will probably be easy to grasp and implement. 1999 dodge ram pickup stereo wiring.

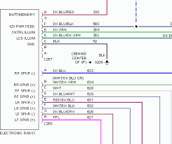
One of the most time consuming tasks with installing an after market car stereo car radio car speakers car amplifier car navigation or anycop this deal. Each wire shown in the diagrams contains a code (fig. 1999 dodge ram 1500 front door speakers wire color code here is the color code for the door speakers in the ram 1500 1999. 1) which identifies the main circuit, part of the main circuit, gauge of wire, and color. Use our guided shopping tools to get a guaranteed fit.

98 Dodge Ram 3500 Speaker Wiring Diagram Wiring Diagram Channel Hen Button Hen Button Ladamabiancadiangioni It
98 Dodge Ram 3500 Speaker Wiring Diagram Wiring Diagram Channel Hen Button Hen Button Ladamabiancadiangioni It from i2.wp.com
1999 dodge ram pickup car stereo wire colors, functions, and locations. I have a 1999 dodge ram 1500 with an aftermarket cd player but stock infinity speaker system. Wiring diagram will come with several easy to stick to wiring diagram guidelines. I know my front right speaker doesn't, or wasn't working. 1999 dodge ram pickup stereo wiring. 2000 dodge durango 4dr suv wiring information: Orange/white left front speaker positive wire (+): I need wiring diagram for 97 ram 1500 slt stereo part p04858556 issue 1 ras black has 2 connectors with 6 pins.

1999 dodge ram door speaker wiring from www.tehnomagazin.com effectively read a electrical wiring diagram, one offers to know how the particular components within the system operate.

1999 dodge stratus 4dr sedan wiring information: 1999 dodge ram pickup car stereo wire colors, functions, and locations. Then one day, no sound, but i can control the dials and switch to a cd and watch the track time count. The fuse and relay are good so i want to test coming out of the switch too see if it is the switch. If its thermaled you need to remove the load, speaker wires, let it cool off and then if nothing has burned its self, turn. I am looking for a wiring diagram for the wiring going in to the headlight switch. 2000 dodge caravan minivan wiring information: 2000 dodge van van wiring information Were can i find the wiring diagram for the speakers wiring for a 07 dodge ram 1500 quad cab. Oem dodge ram 1500 parts. I need wiring diagram for '97 ram 1500 slt stereo. 1999 dodge ram pickup alarm, remote start, keyless entry wiring home / the12volt's install bay / vehicle wiring / view all dodge vehicles / 1999 dodge ram pickup vehicle search When you use your finger or stick to the circuit along with your eyes, it's easy to mistrace the circuit.

800 x 600 px, source: Visit the post for more. I need wiring diagram for 97 ram 1500 slt stereo part p04858556 issue 1 ras black has 2 connectors with 6 pins. I have a 1999 dodge ram 1500 with an aftermarket cd player but stock infinity speaker system. This includes all the dash kits and wiring harnesses you will need to properly install your new car stereo.

4 Wheeler Wiring Diagram Full Hd Quality Version Wiring Diagram Rion Csbasketarbus It
4 Wheeler Wiring Diagram Full Hd Quality Version Wiring Diagram Rion Csbasketarbus It from mainetreasurechest.com
I have a 1999 dodge ram 1500 with an aftermarket cd player but stock infinity speaker system. 1999 dodge ram 1500 truck car stereo radio wireing diagram 4x4 sign up free at (www.12volt.com) and you can access all wiring diagrams etc required. I am not a radio buff. 1999 dodge ram 1500 truck car stereo radio wireing diagram 4x4 sign up free at (www.12volt.com) and you can access all wiring diagrams etc required. Then one day, no sound, but i can control the dials and switch to a cd and watch the track time count. The fuse and relay are good so i want to test coming out of the switch too see if it is the switch. We are your low price leader for oem dodge ram 1500 parts. The other 3 speakers sound fine.

It shows the components of the circuit as simplified shapes, and the knack and signal links between the devices.

Automotive wiring in a 1999 dodge ram 2500 truck vehicles are becoming … 1999 dodge ram 2500 truck car audio wiring guide read more » I find the wiring diagram for the speakers.quad cab. Orange/white left front speaker positive wire (+): It shows the components of the circuit as simplified shapes, and the knack and signal links between the devices. 2001 dodge ram 1500 trailer wiring diagram fresh 2003 dodge ram 1500. These directions will probably be easy to grasp and implement. I am not a radio buff. The other 3 speakers sound fine. We are your low price leader for oem dodge ram 1500 parts. If its thermaled you need to remove the load, speaker wires, let it cool off and then if nothing has burned its self, turn. Visit the post for more. Red/white car radio ground wire: Use our guided shopping tools to get a guaranteed fit.

1500 dodge ram 1999 2dr pickup wiring information: 1999 dodge ram pickup alarm, remote start, keyless entry wiring home / the12volt's install bay / vehicle wiring / view all dodge vehicles / 1999 dodge ram pickup vehicle search I need wiring diagram for 97 ram 1500 slt stereo part p04858556 issue 1 ras black has 2 connectors with 6 pins. It shows the components of the circuit as simplified shapes, and the knack and signal links between the devices. Pink car radio accessory switched 12v+ wire:

Diagram Wiring Diagram 2004 Dodge Caravan Pcm C1 Full Version Hd Quality Pcm C1 Liverdiagrams Potrosuaemfc Mx
Diagram Wiring Diagram 2004 Dodge Caravan Pcm C1 Full Version Hd Quality Pcm C1 Liverdiagrams Potrosuaemfc Mx from i2.wp.com
One of the most time consuming tasks with installing an after market car stereo car radio car speakers car amplifier car navigation or anycop this deal. We are your low price leader for oem dodge ram 1500 parts. 2000 dodge van van wiring information 1999 dodge stratus 4dr sedan wiring information: Black/dark blue car radio illumination wire: If its thermaled you need to remove the load, speaker wires, let it cool off and then if nothing has burned its self, turn. 1999 dodge ram 1500 front door speakers wire color code here is the color code for the door speakers in the ram 1500 1999. 1997 dodge ram speaker wiring 98 caravan stereo diagrams diagram i need for 97 1500 radio 1996 3500 360 ignition van 2001 1994 fuse box conversion neon 2000 pickup ground wires 1999 1991 replacement harness 89 ford f 150 alternator home 01 2008 select uconnect rev 2 am having re.

1500 dodge ram 1999 2dr pickup wiring information:

1500 sport 5.9 l gas engine and the letter is a z. We are your low price leader for oem dodge ram 1500 parts. 2000 dodge durango 4dr suv wiring information: 1999 dodge ram pickup car stereo wire colors, functions, and locations. Dodge ram truck 1500/2500/3500 workshop & service manuals, electrical wiring diagrams, fault codes free download Here are a few of the leading illustrations we obtain from different resources, we wish these photos will serve to you, and also hopefully very appropriate to what you desire regarding the 1999 dodge ram radio wiring diagram is. One trick that we use is to print exactly the same wiring plan off twice. Then one day, no sound, but i can control the dials and switch to a cd and watch the track time count. Use our guided shopping tools to get a guaranteed fit. I am not a radio buff. I find the wiring diagram for the speakers.quad cab. If its thermaled you need to remove the load, speaker wires, let it cool off and then if nothing has burned its self, turn. Okay, i have a 1999 dodge ram 2500 v10.

Iklan Atas Artikel

Iklan Tengah Artikel 1

Iklan Tengah Artikel 2

Iklan Bawah Artikel