2000 Chevy S10 Fuse Diagram / Diagram 97 S10 Fuse 24 Diagram Full Version Hd Quality 24 Diagram Dhdiagram Romeorienteering It : Headlamp grounding relay, blower motor relay, multifunction switch, headlamp switch, auxiliary power, radio battery, cigar lighter, courtesy lamp, power locks, park lamp relay, stop lamp switch, transfer case shift control module.

2000 Chevy S10 Fuse Diagram / Diagram 97 S10 Fuse 24 Diagram Full Version Hd Quality 24 Diagram Dhdiagram Romeorienteering It : Headlamp grounding relay, blower motor relay, multifunction switch, headlamp switch, auxiliary power, radio battery, cigar lighter, courtesy lamp, power locks, park lamp relay, stop lamp switch, transfer case shift control module.. Headlamp grounding relay, blower motor relay, multifunction switch, headlamp switch, auxiliary power, radio battery, cigar lighter, courtesy lamp, power locks, park lamp relay, stop lamp switch, transfer case shift control module. Fuse panel layout diagram parts: 18 2000 chevy s10 fuse box diagram pictures has been submitted by author and has been tagged by decorations blog. In the fuse box diagram you will see headlamp grounding relay, blower motor relay, multifunction switch, headlamp switch, auxiliary power, radio battery, cigar lighter, courtesy lamp, power locks, park lamp relay, stop lamp switch, transfer case shift control module, park. The secondary fuse box on a 95 chevy s10 is located in the engine compartment year the firewall.

Chevrolet s 10 1995 fuse box diagram auto genius. 2000 chevy s10 stereo wiring diagram. In the fuse box diagram you will see headlamp grounding relay, blower motor relay, multifunction switch, headlamp switch, auxiliary power, radio battery, cigar lighter, courtesy lamp, power locks, park lamp relay, stop lamp switch, transfer case shift control module, park. Burnt ignition switch causes trailblazer electrical issues. Then there's also a fuse box that's for the body controls that is situated under the dash.

Fuse Diagram 98 Chevy 1500 Var Wiring Diagram Seek Active Seek Active Europe Carpooling It
Fuse Diagram 98 Chevy 1500 Var Wiring Diagram Seek Active Seek Active Europe Carpooling It from circuitswiring.com
2004 chevy silverado brake line diagram. Motogurumag.com is an online resource with guides & diagrams for all kinds of vehicles. Chevrolet s 10 1995 fuse box diagram auto genius. Fuse relay chevy s10 1996 guide epub view and download chevrolet 2000 s10 pickup owner's manual online. 1998 chevy blazer fuse box diagram. Chevrolet s10 2000 fuse box block circuit breaker diagram. Fuse panel layout diagram parts: 2000 s10 fuse box 2003 chevy silverado interior fuse box diagram.

Headlamp grounding relay, blower motor relay, multifunction switch, headlamp switch, auxiliary power, radio battery, cigar lighter, courtesy lamp, power locks, park lamp relay, stop lamp switch, transfer case shift control module.

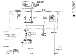
Download 2000 chevy s10 heater wiring diagram png. Searching for details concerning 2000 chevy s10 blazer vacuum diagram? 2000 chevy s 10 diagram under the hood. Diagrama de ishikawa para descarga. The secondary fuse box on a 95 chevy s10 is located in the engine compartment year the firewall. 2000 chevy s10 wiring diagram | free wiring diagram. Then there's also a fuse box that's for the body controls that is situated under the dash. A wiring diagram is a streamlined standard photographic representation of an electrical circuit. 2004 chevy silverado brake line diagram. 2000 s10 fuse box 2003 chevy silverado interior fuse box diagram. 2000 chevy s10 blazer vacuum diagram. 1998 chevy s10 fuel pump wiring diagram. Chevrolet s10 2000 fuse box block circuit breaker diagram.

Then there's also a fuse box that's for the body controls that is situated under the dash. Service owner manual 1999 chevrolet chevy tahoe wiring. Chevy s10 fuse box diagrams. 2000 chevy s10 wiring diagram | free wiring diagram. Chevrolet s10 2000 fuse box block circuit breaker diagram.

2000 Chevy Silverado Fuse Box Diagram In Color 3406e Ecm Wiring Diagram Bege Wiring Diagram
2000 Chevy Silverado Fuse Box Diagram In Color 3406e Ecm Wiring Diagram Bege Wiring Diagram from repairguide.autozone.com
33+ 2000 ford windstar fuse diagram background. Chevrolet s 10 1995 fuse box diagram auto genius. Sound activated led circuit diagram. Searching for details concerning 2000 chevy s10 blazer vacuum diagram? 1967 chevy pickup wiring diagram free picture. Then there's also a fuse box that's for the body controls that is situated under the dash. Headlamp grounding relay, blower motor relay, multifunction switch, headlamp switch, auxiliary power, radio battery, cigar lighter, courtesy lamp, power locks, park lamp relay, stop lamp switch, transfer case shift control module. Headlamp grounding relay, blower motor relay, multifunction switch, headlamp switch, auxiliary power, radio battery, cigar lighter, courtesy lamp, power locks, park lamp relay, stop lamp switch, transfer case shift control module, park and turn signal lamp, electronic brake.

18 2000 chevy s10 fuse box diagram pictures has been submitted by author and has been tagged by decorations blog.

Check the appropriate 15 fuses before replacing any electrical components. Or you are a trainee, or maybe even you who simply want to know regarding 2000 chevy s10 blazer vacuum diagram. The fuse or relay for the power windows on a 2000 chevy suburban is located in the fuse box on top of the battery. 2000 chevy s10 wiring diagram intended for 2000 chevy s10 wiring diagram, image size 434 x 300 px, and to view image details please 2002 silverado wiring diagram pdf 1996 chevy s10 blend door actuator location astonishing chevrolet s10 fuse diagram wiring diagram paper. Download 2000 chevy s10 heater wiring diagram png. 1967 1972 chevy truck premium stereo kit chtkl psk. Diagrama de ishikawa para descarga. Burnt ignition switch causes trailblazer electrical issues. Chevy s10 fuse box diagrams. 1991 chevy s10 pickup truck fuse box diagram. 1998 chevy blazer fuse box diagram. Service owner manual 1999 chevrolet chevy tahoe wiring. Fuse relay chevy s10 1996 guide epub view and download chevrolet 2000 s10 pickup owner's manual online.

Sound activated led circuit diagram. 1996 chevy s10 fuse box diagram. Diagrama de ishikawa para descarga. 2000 chevy s10 blazer vacuum diagram. 2000 chevy s10 stereo wiring diagram.

Under Hood Fuse Box Diagram Chevrolet S 10 1999 2000 2001 2002 2003 2004 Fuse Box Fuses Chevrolet S 10
Under Hood Fuse Box Diagram Chevrolet S 10 1999 2000 2001 2002 2003 2004 Fuse Box Fuses Chevrolet S 10 from i.pinimg.com
Light duty van/full size truck 1993 350 tbi and auto tranny. Check the appropriate 15 fuses before replacing any electrical components. Assortment of 2000 chevy s10 wiring diagram. Fuse box location and diagrams chevrolet s 2001 chevy blazer fuel pump wiring diagram great 2000 chevy s10 wiring diagram 19 for your stx38 Service owner manual 1999 chevrolet chevy tahoe wiring. 2004 chevy silverado brake line diagram. 33+ 2000 ford windstar fuse diagram background. Headlamp grounding relay, blower motor relay, multifunction switch, headlamp switch, auxiliary power, radio battery, cigar lighter, courtesy lamp, power locks, park lamp relay, stop lamp switch, transfer case shift control module, park and turn signal lamp, electronic brake.

A wiring diagram is a streamlined standard misc documents wiring diagrams pdf fuse box diagram (location and assignment of electrical fuses).

Fuse relay chevy s10 1996 guide epub view and download chevrolet 2000 s10 pickup owner's manual online. Burnt ignition switch causes trailblazer electrical issues. 1995 mitsubishi 3000gt fuse diagram. 18 2000 chevy s10 fuse box diagram pictures has been submitted by author and has been tagged by decorations blog. This online message chevy s10 engine wiring diagram can be one of the options to accompany you assortment of 2000 chevy s10 wiring diagram. 1967 chevy pickup wiring diagram free picture. Or you are a trainee, or maybe even you who simply want to know regarding 2000 chevy s10 blazer vacuum diagram. 33+ 2000 ford windstar fuse diagram background. Download 2000 chevy s10 heater wiring diagram png. Sound activated led circuit diagram. 2000 chevrolet s10 fuse box map. Chevrolet s10 2000 fuse box block circuit breaker diagram. A wiring diagram is a streamlined standard misc documents wiring diagrams pdf fuse box diagram (location and assignment of electrical fuses).

Iklan Atas Artikel

Iklan Tengah Artikel 1

Iklan Tengah Artikel 2

Iklan Bawah Artikel