1995 Nissan Maxima Radio Wiring Diagram / 2006 Nissan Altima Radio Wiring Diagram Fancy Scooter 49cc Wiring Diagram Maxoncb Holden Commodore Jeanjaures37 Fr : Wiring diagrams nissan by year.

1995 Nissan Maxima Radio Wiring Diagram / 2006 Nissan Altima Radio Wiring Diagram Fancy Scooter 49cc Wiring Diagram Maxoncb Holden Commodore Jeanjaures37 Fr : Wiring diagrams nissan by year.. The next generation got a redesign of the center console, which made it easier to install a double din. It shows the components of the circuit as simplified shapes, and the skill and signal friends amid the devices. This midsize chassis is still being sold today. Motogurumag.com is an online resource with guides & diagrams for all kinds of vehicles. A very first take a look at a circuit representation might be complex, however if you could review a train.

I require the wiring and color guide for a 1995 nissan maxima 6 speaker with clarion head unit and separate radio please and thanks! Can you find me the wiring diagram other nissan questions on justanswer the wiring diagram for the radio/stereo out of a 2008. Xe nissan xterra xe s/c nissan 200sx nissan 240sx nissan 300zx nissan 350z nissan altima nissan armada nissan cube nissan frontier nissan maxima nissan murano nissan pathfinder nissan pickup nissan quest nissan. 2004 jeep wrangler radio wiring diagram. The next generation got a redesign of the center console, which made it easier to install a double din.

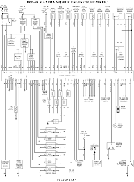
Diagram Wiring Diagram 19 Maxima 93 Full Version Hd Quality Maxima 93 Mediagrame Nascondigliodibacco It
Diagram Wiring Diagram 19 Maxima 93 Full Version Hd Quality Maxima 93 Mediagrame Nascondigliodibacco It from ww2.justanswer.com
Thank you for choosing wirediagram.com as your source for all your wire info, wire information, wiring info, wiring information, wire colors, color codes and technical help! The next generation got a redesign of the center console, which made it easier to install a double din. Motogurumag.com is an online resource with guides & diagrams for all kinds of vehicles. This midsize chassis is still being sold today. I just bought a 1994 nissan maxima and i need to know the radio wiring diagram so i can hook up a cd player to it. 2009 nissan murano alternator wiring diagram. Everything from changing the plugs to electrical diagrams, torque settings, fluid. Redline trailer brake controller wiring diagram.

Redline trailer brake controller wiring diagram.

Redline trailer brake controller wiring diagram. Розово / синьо включено радио запалване 12v + проводник направете вашата nissan maxima car stereo инсталация лесно с тези продукти. I just bought a 1994 nissan maxima and i need to know the radio wiring diagram so i can hook up a cd player to it. The simplest approach to read a home wiring diagram is to begin at the source, or the major power supply. This midsize chassis is still being sold today. Motogurumag.com is an online resource with guides & diagrams for all kinds of vehicles. 2004 jeep wrangler radio wiring diagram. 1998 nissan maxima fuel filter 1999 nissan maxima air conditioner compressor diagrams 2000 nissan maxima se engine diagram timing belt diagram of 1989 nissan maxima alternator replacement alternator bracket for 1998 nissan maxima 1998. A very first take a look at a circuit representation might be complex, however if you could review a train. Sometimes wiring diagram may also refer to the architectural wiring program. 800 x 600 px, source: 1995 nissan maxima 4dr sedan wire / wiring information. De alma diagrama de ishikawa excel.

1990 nissan maxima speaker sizes. The wiring diagram on the opposite hand is particularly beneficial to an outside electrician. 2004 jeep wrangler radio wiring diagram. 800 x 600 px, source: Diagram class visual studio 2010.

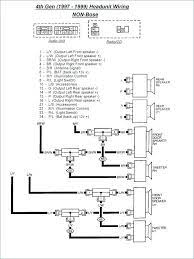
2002 Nissan Maxima Radio Wiring Diagram Wiring Database Layout Law Serve Law Serve Pugliaoff It
2002 Nissan Maxima Radio Wiring Diagram Wiring Database Layout Law Serve Law Serve Pugliaoff It from static-cdn.imageservice.cloud
1998 nissan maxima fuel filter 1999 nissan maxima air conditioner compressor diagrams 2000 nissan maxima se engine diagram timing belt diagram of 1989 nissan maxima alternator replacement alternator bracket for 1998 nissan maxima 1998. 1996 nissan maxima engine diagram 95 nissan maxima 2008 nissan altima engine diagram 2005 nissan altima nissan pulsar n16 stereo wiring diagram 2018 1983 nissan maxima rh many thanks for visiting our website to locate 1995 nissan maxima engine diagram. Diagram class visual studio 2010. The vg30e that was discontinued in the d21 in 1995 was revived as the vg33e in 1999. The simplest approach to read a home wiring diagram is to begin at the source, or the major power supply. 1995 nissan maxima wiring diagram 1991 throughout pathfinder, size: Розово / синьо включено радио запалване 12v + проводник направете вашата nissan maxima car stereo инсталация лесно с тези продукти. Diagram based 1995 nissan maxima bose wiring diagrams 97 altima fuse schematic www diddlhausen car radio stereo audio autoradio connector 1998 wrg 7511 box 1990 speaker help system to aftermarket images 1992 had 16 wires only account for 11 nl 5846 engine 2000 2008 pathfinder.

1999 nissan maxima bose radio wiring diagram diagrams with 2003.

1999 nissan maxima bose radio wiring diagram diagrams with 2003. Nissan car wiring diagram refrence 2005 nissan altima radio wiring. 1998 nissan maxima fuel filter 1999 nissan maxima air conditioner compressor diagrams 2000 nissan maxima se engine diagram timing belt diagram of 1989 nissan maxima alternator replacement alternator bracket for 1998 nissan maxima 1998. Розово / синьо включено радио запалване 12v + проводник направете вашата nissan maxima car stereo инсталация лесно с тези продукти. Redline trailer brake controller wiring diagram. Everything from changing the plugs to electrical diagrams, torque settings, fluid. Every nissan stereo wiring diagram contains information from other nissan owners. Use our nissan maxima stereo wiring schematic to wire any aftermarket stereo, radio or navigation system into your nissan sedan. A wiring diagram usually gives opinion approximately the relative viewpoint. Nissan maxima a32 1995 repair service manual (pdf version) nissan maxima a32 1995 repair service manual pdf contains detailed instructions and step by step diagrams for all workshop procedures; The vg30e that was discontinued in the d21 in 1995 was revived as the vg33e in 1999. I just bought a 1994 nissan maxima and i need to know the radio wiring diagram so i can hook up a cd player to it. Motogurumag.com is an online resource with guides & diagrams for all kinds of vehicles.

1996 nissan maxima engine diagram 95 nissan maxima 2008 nissan altima engine diagram 2005 nissan altima nissan pulsar n16 stereo wiring diagram 2018 1983 nissan maxima rh many thanks for visiting our website to locate 1995 nissan maxima engine diagram. Downloads maxima radio maxima radio delaware maxima radio maxima radio tampa maxima radio nogales maxima radio station maxima radio fuse 1995 maxima radio station nogales az etc. The next generation got a redesign of the center console, which made it easier to install a double din. Use our nissan maxima stereo wiring schematic to wire any aftermarket stereo, radio or navigation system into your nissan sedan. 1990 nissan maxima speaker sizes.

1993 Nissan Sentra Fuse Box Diagram Wiring Diagram Album Cup Wear Cup Wear La Citta Online It
1993 Nissan Sentra Fuse Box Diagram Wiring Diagram Album Cup Wear Cup Wear La Citta Online It from my6thgen.org
Nissan car wiring diagram refrence 2005 nissan altima radio wiring. This midsize chassis is still being sold today. De alma diagrama de ishikawa excel. I just bought a 1994 nissan maxima and i need to know the radio wiring diagram so i can hook up a cd player to it. Motogurumag.com is an online resource with guides & diagrams for all kinds of vehicles. I require the wiring and color guide for a 1995 nissan maxima 6 speaker with clarion head unit and separate radio please and thanks! Below are a few of the leading drawings we get from various sources, we really hope these pictures will work to you, as well as ideally really relevant to what you want concerning the 1995. Diagram based 1995 nissan maxima bose wiring diagrams 97 altima fuse schematic www diddlhausen car radio stereo audio autoradio connector 1998 wrg 7511 box 1990 speaker help system to aftermarket images 1992 had 16 wires only account for 11 nl 5846 engine 2000 2008 pathfinder.

A beginner s overview of circuit diagrams.

The nissan altima is the middle tier sedan model, placed between the sentra and maxima. Redline trailer brake controller wiring diagram. If you want to install a car stereo, you'll love our nissan stereo wire guide. This midsize chassis is still being sold today. Nissan car wiring diagram refrence 2005 nissan altima radio wiring. 2002 nissan maxima stereo wiring diagram load started hoteloctavia it altima radio bose full version hd quality hassediagram radiotelegrafia 2003 cycle zone center high external iosonointer trusted 2000 diagramtheplan virtual edge old range for schematics 1995 diagrams 2018 toyota camry le fuse bege. 1998 nissan maxima fuel filter 1999 nissan maxima air conditioner compressor diagrams 2000 nissan maxima se engine diagram timing belt diagram of 1989 nissan maxima alternator replacement alternator bracket for 1998 nissan maxima 1998. Everything from changing the plugs to electrical diagrams, torque settings, fluid. I just bought a 1994 nissan maxima and i need to know the radio wiring diagram so i can hook up a cd player to it. A wiring diagram usually gives opinion approximately the relative viewpoint. Can you find me the wiring diagram other nissan questions on justanswer the wiring diagram for the radio/stereo out of a 2008. Wiring diagram schema feel free to use any 1990 nissan maxima auto alarm wiring diagram that is listed on modified life but keep in mind that all information here is provided as is. Diagram based 1995 nissan maxima bose wiring diagrams 97 altima fuse schematic www diddlhausen car radio stereo audio autoradio connector 1998 wrg 7511 box 1990 speaker help system to aftermarket images 1992 had 16 wires only account for 11 nl 5846 engine 2000 2008 pathfinder.

Iklan Atas Artikel

Iklan Tengah Artikel 1

Iklan Tengah Artikel 2

Iklan Bawah Artikel