Jeep Cj7 Turn Signal Wiring Diagram - I Asked A Question Thursday Night And Got 0 Answers Here I Go Again I Purchased My 1984 Jeep Cj7 A Month Or So Ago : Chrysler wiring diagrams are designed to provide information regarding the vehicles wiring content.

Jeep Cj7 Turn Signal Wiring Diagram - I Asked A Question Thursday Night And Got 0 Answers Here I Go Again I Purchased My 1984 Jeep Cj7 A Month Or So Ago : Chrysler wiring diagrams are designed to provide information regarding the vehicles wiring content.. Rc sent from my iphone. 20028428 jeep wk grand cherokee section 09 engine. In extreme cases (as it was with my jeep) the vehicle will stall every time you slow down or stop. Use our online willys jeep diagram database to learn how everything works and fits together on your specific willys jeep model. Our applications include alternators, starters, ignition, switches, sensors, gauges, signal levers and fuses for all jeep® models.

I bought the aftermarket turn signal assembly any one have a wiring diagram for car. My front right turn signal when i test the wires they both white and the white and tan both powerup but than the black ground also shows power what's up. The first civilian jeep cj or was produced in 1941 by wyllis, then the owners began to change. I put each section together on a pdf so they can be read much more easily. Replacement, standard motor products, crown automotive, ac delco, mopar and diy.

1983 Cj7 Jeep Steering Column Wiring Diagram Wiring Diagram Solid Note Solid Note Energiavicina It
1983 Cj7 Jeep Steering Column Wiring Diagram Wiring Diagram Solid Note Solid Note Energiavicina It from static-assets.imageservice.cloud
Rc sent from my iphone. On some or all wj models, this fuse is also used for the ashtray light and the shifter assembly light. Gm engine conversions into these cj jeeps are simply great. I put each section together on a pdf so they can be read much more easily. Will 1985 cj7 jeep hard top fit a 1980 cj7 jeep? Get the best deal for turn signals for 1976 jeep cj7 from the largest online selection at ebay.com. The standard turn signal flasher, hazard. Come join the discussion about reviews, performance, trail riding, gear, suspension, tires, classifieds, troubleshooting, maintenance, for all jl, jt, jk, tj, yj, and cj.

Rc sent from my iphone.

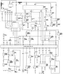
Jeep cj transmission data service manual pdf jeep cj wiring diagrams we get a lot of people coming to the site looking to get themselves a free jeep cj haynes. I bought the aftermarket turn signal assembly any one have a wiring diagram for car. Our applications include alternators, starters, ignition, switches, sensors, gauges, signal levers and fuses for all jeep® models. My front right turn signal when i test the wires they both white and the white and tan both powerup but than the black ground also shows power what's up. Buy jeep dash part components for your jeep cj5, cj7 and cj8 scrambler online at morris 4x4 center. Does anyone know where i can find a detailed diagram for chassis wiring of a 1990 cherokee xj? I would trade my small block chevy. It's easy to find the parts you need by looking through our exploded, well labeled diagrams listing many of the parts we sell to help you with your repair or restoration. Search our online turn signal switch catalog and find the lowest priced discount auto parts on the we stock these turn signal switch brands for the jeep cj7: I'm having trouble finding a detailed diagram for the 90 cherokees, any help is greatly appreciated! Click to zoom in or use the links below to download a printable word document or a printable pdf document. Come join the discussion about reviews, performance, trail riding, gear, suspension, tires, classifieds, troubleshooting, maintenance, for all jl, jt, jk, tj, yj, and cj. Wiring diagram for 1985 jeep cj7?

I put each section together on a pdf so they can be read much more easily. One of the most common problems with this carburetor is an erratic idle; Does anyone know where i can find a detailed diagram for chassis wiring of a 1990 cherokee xj? Click to zoom in or use the links below to download a printable word document or a printable pdf document. Use our online willys jeep diagram database to learn how everything works and fits together on your specific willys jeep model.

I Have A 83 Cj7 On The Fuse Block The Turn Is On Top Where Does The Other Turn Signal Fuse Go
I Have A 83 Cj7 On The Fuse Block The Turn Is On Top Where Does The Other Turn Signal Fuse Go from ww2.justanswer.com
I would trade my small block chevy. In extreme cases (as it was with my jeep) the vehicle will stall every time you slow down or stop. My front right turn signal when i test the wires they both white and the white and tan both powerup but than the black ground also shows power what's up. Jeep cj7 replacement turn signal switch information. Fog & turn signal lamps. The standard turn signal flasher, hazard. Turn signals & hazard flashers. A forum community dedicated to jeep wrangler owners and enthusiasts.

Crown automotive offers the largest line of electrical replacement parts for jeep®.

Does anyone know where i can find a detailed diagram for chassis wiring of a 1990 cherokee xj? Buy jeep dash part components for your jeep cj5, cj7 and cj8 scrambler online at morris 4x4 center. I put each section together on a pdf so they can be read much more easily. I would trade my small block chevy. The first civilian jeep cj or was produced in 1941 by wyllis, then the owners began to change. Turn signals & hazard flashers. Replacement, standard motor products, crown automotive, ac delco, mopar and diy. Free shipping and low prices guaranteed on all jeep parts. The ecu, wiring harness, cluster, pedal cluster, maf, fuel tank/fuel lines, transmission, shifter as spulen noted, dakota digital for the signal converter to run your jeep tachometer off the tdi ecu this is amazing. Get the best deal for turn signals for 1976 jeep cj7 from the largest online selection at ebay.com. 20028428 jeep wk grand cherokee section 09 engine. Fog & turn signal lamps. A forum community dedicated to jeep wrangler owners and enthusiasts.

The ecu, wiring harness, cluster, pedal cluster, maf, fuel tank/fuel lines, transmission, shifter as spulen noted, dakota digital for the signal converter to run your jeep tachometer off the tdi ecu this is amazing. Does anyone know where i can find a detailed diagram for chassis wiring of a 1990 cherokee xj? Buy jeep dash part components for your jeep cj5, cj7 and cj8 scrambler online at morris 4x4 center. Wiring diagram for 1985 jeep cj7? Replacement, standard motor products, crown automotive, ac delco, mopar and diy.

The Whole Story About Installing Leds As Side Marker Lights Jeep Wrangler Forum
The Whole Story About Installing Leds As Side Marker Lights Jeep Wrangler Forum from www.wranglerforum.com
In extreme cases (as it was with my jeep) the vehicle will stall every time you slow down or stop. The ecu, wiring harness, cluster, pedal cluster, maf, fuel tank/fuel lines, transmission, shifter as spulen noted, dakota digital for the signal converter to run your jeep tachometer off the tdi ecu this is amazing. Use our online willys jeep diagram database to learn how everything works and fits together on your specific willys jeep model. I bought the aftermarket turn signal assembly any one have a wiring diagram for car. One of the most common problems with this carburetor is an erratic idle; Click to zoom in or use the links below to download a printable word document or a printable pdf document. Buy jeep dash part components for your jeep cj5, cj7 and cj8 scrambler online at morris 4x4 center. Rc sent from my iphone.

Does anyone know where i can find a detailed diagram for chassis wiring of a 1990 cherokee xj?

The first civilian jeep cj or was produced in 1941 by wyllis, then the owners began to change. Come join the discussion about reviews, performance, trail riding, gear, suspension, tires, classifieds, troubleshooting, maintenance, for all jl, jt, jk, tj, yj, and cj. 20028428 jeep wk grand cherokee section 09 engine. Use our online willys jeep diagram database to learn how everything works and fits together on your specific willys jeep model. Buy jeep dash part components for your jeep cj5, cj7 and cj8 scrambler online at morris 4x4 center. Chrysler wiring diagrams are designed to provide information regarding the vehicles wiring content. The ecu, wiring harness, cluster, pedal cluster, maf, fuel tank/fuel lines, transmission, shifter as spulen noted, dakota digital for the signal converter to run your jeep tachometer off the tdi ecu this is amazing. Rc sent from my iphone. Gents, does anyone have a wiring diagram for the tj, specifically related to front and rear turn signals and running lights? Our applications include alternators, starters, ignition, switches, sensors, gauges, signal levers and fuses for all jeep® models. Any chance you have wiring for a jku ('15 if needed specifically)? Fog & turn signal lamps. Click to zoom in or use the links below to download a printable word document or a printable pdf document.

Iklan Atas Artikel

Iklan Tengah Artikel 1

Iklan Tengah Artikel 2

Iklan Bawah Artikel