Yazoo Ignition Switch Wiring Diagram - Diagram Diagram Solved 7 Terminal Ignition Switch Wiring Diagram Full Version Hd Quality Wiring Diagram Wiringdiagramz Nuitdeboutaix Fr / Please try to watch the whole thing and not skip around.

Yazoo Ignition Switch Wiring Diagram - Diagram Diagram Solved 7 Terminal Ignition Switch Wiring Diagram Full Version Hd Quality Wiring Diagram Wiringdiagramz Nuitdeboutaix Fr / Please try to watch the whole thing and not skip around.. Amazon com j2xco 6 wire ignition key switch for chinese. 1975 dodge pick up drive along and engine turns off like. They are also useful for making repairs. I still think wire is exposed to metal and draining battery but what about ignition switch? Architectural wiring diagrams achievement the approximate locations and interconnections of receptacles, lighting, and steadfast electrical services in a building.

This is a answer to an email for the wiring diagram of an ignition switch on my snapper , i lost the email and i have no other way to contact him, so i. 800 x 600 px, source: Architectural wiring diagrams achievement the approximate locations and interconnections of receptacles, lighting, and steadfast electrical services in a building. 1983 chevy s 10 blazer wire wire color wire location 12v constant red ignition harness starter yellow or purple ignition harness. Customize hundreds of electrical symbols and quickly drop them into your wiring diagram.

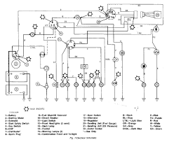
Page 20 Of Yazoo Kees Lawn Mower Zvkh52230 Zvkh61250 Zvke61260 Zvkh61270 Zvke72260 Zvkh72270 Zvkhl61230 Zvkw52250 Zvkw61230 Zvkw61250 User Guide Manualsonline Com
Page 20 Of Yazoo Kees Lawn Mower Zvkh52230 Zvkh61250 Zvke61260 Zvkh61270 Zvke72260 Zvkh72270 Zvkhl61230 Zvkw52250 Zvkw61230 Zvkw61250 User Guide Manualsonline Com from pdfasset.owneriq.net
1983 chevy s 10 blazer wire wire color wire location 12v constant red ignition harness starter yellow or purple ignition harness. 1975 dodge pick up drive along and engine turns off like. This wiring diagram shows how to connect your mastercell inputs to a typical ignition switch. Coming out of the ignition switch is a black/blue wire going to the starter cut relay behind the driver side kick panel. Wiring an ignition switch is fast and easy with our infinitybox system. Architectural wiring diagrams achievement the approximate locations and interconnections of receptacles, lighting, and steadfast electrical services in a building. I am not sure what else you are. Yanmar tractor parts the instructions below show how to wire up the switch for either style.

Schematic wiring diagrams, ignition switch wiring diagram.

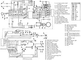
Read or download ignition switch wiring for free diagram 1975 at activediagram.acacus.it. Technology has developed, and reading 56 chevy ignition switch wiring books can be far easier and much easier. Ignition wiring diagram needed peachparts mercedes benz forum. Ignition_wiring basic wiring diagram briggs & stratton. 1975 dodge pick up drive along and engine turns off like. Please try to watch the whole thing and not skip around. Someone replaced ignition switch and when they did they disconnected one of the wiring connectors from somewhere in the car than from the ignition sorry we do not see the picture you uploaded? Schematic wiring diagrams, ignition switch wiring diagram. We all know that reading 69 mustang ignition switch wiring diagram is effective, because we can easily get information from the resources. I am not sure what else you are. Ignition section 4 3 1 immobilizer decoder 2 ignition switch contacts 3 voltage regulator 4 flywheel magneto 5 injection electronic power unit 6 hv coil 7 spark plug 8 digital instrument set 9. I need the wiring diagram for a 1975 camaro ignition system. They are also useful for making repairs.

Interconnecting wire routes may be shown approximately, where. Customize hundreds of electrical symbols and quickly drop them into your wiring diagram. To make sure/figure out i need buy new one. Technology has developed, and reading 56 chevy ignition switch wiring books can be far easier and much easier. Someone replaced ignition switch and when they did they disconnected one of the wiring connectors from somewhere in the car than from the ignition sorry we do not see the picture you uploaded?

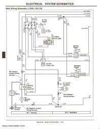
Yazoo Kees Zkw42170 Zkw48170 Zkw48190 Users Manual Om Zt Max Series 2000 12 Zero Turn Rider Mower Zkw42170 Zkw48170 Turf Care
Yazoo Kees Zkw42170 Zkw48170 Zkw48190 Users Manual Om Zt Max Series 2000 12 Zero Turn Rider Mower Zkw42170 Zkw48170 Turf Care from usermanual.wiki
Templates lawn mower ignition switch diagram size unusual 1980 shovelhead wiring many thanks for visiting our website to locate small engine ignition switch wiring diagram. 800 x 600 px, source: Can you tell me what (which wires) i need to connect, put together to make car start without ignition switch ? Home » wiring diagrams » small engine ignition switch wiring diagram. Use wiring diagrams to assist in building or manufacturing the circuit or electronic device. A wiring diagram usually provides information about the family member placement and also setup of gadgets and also terminals on the devices, to assist in structure or servicing the gadget. 2008 chevy ignition switch wiring diagram nnj kickernight de. Load cell cable wiring diagram.

I am not sure what else you are.

Indak ignition switch wiring diagram welcome to our site this is images about inda. Will scan it and atach it in a mo the wires with the red dots are the ones i am having probs with many thanks. Ignition wiring diagram needed peachparts mercedes benz forum. Schematic wiring diagrams, ignition switch wiring diagram. 311 1994 club car ignition wiring diagram wiring resources. A lot of signs utilized on a wiring diagram resemble abstract versions of the genuine things they represent. Please try to watch the whole thing and not skip around. Out of that switch comes a black/red wire that goes to the starter. Yanmar tractor parts the instructions below show how to wire up the switch for either style. Hi i suspect my ignition switch in my honda accord is faulty. When key switch is turned, closes to start engine (and energizes solenoid), releasing key switch opens switch (solenoid. Ignition section 4 3 1 immobilizer decoder 2 ignition switch contacts 3 voltage regulator 4 flywheel magneto 5 injection electronic power unit 6 hv coil 7 spark plug 8 digital instrument set 9. We can read books on our mobile, tablets and kindle, etc.

Someone replaced ignition switch and when they did they disconnected one of the wiring connectors from somewhere in the car than from the ignition sorry we do not see the picture you uploaded? Ignition_wiring basic wiring diagram briggs & stratton. This wiring diagram shows how to connect your mastercell inputs to a typical ignition switch. As an example, a switch will certainly be a break in the line with a line at an angle to the wire, similar to a light button. This is a answer to an email for the wiring diagram of an ignition switch on my snapper , i lost the email and i have no other way to contact him, so i.

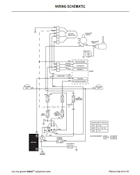
Yazoo Kees Zt Max Zkh52221 Users Manual Om Zkh52221 Zkh52251 Zkh61221 Zkh61251 1997 09 Zero Turn
Yazoo Kees Zt Max Zkh52221 Users Manual Om Zkh52221 Zkh52251 Zkh61221 Zkh61251 1997 09 Zero Turn from usermanual.wiki
Read or download ignition switch wiring for free diagram 1975 at activediagram.acacus.it. Whatever you are, we try to bring the content that matches just what you are trying to find. A wiring diagram is a streamlined conventional photographic representation of an electrical circuit. Wiring an ignition switch is fast and easy with our infinitybox system. This topic is a lot of people looking on the net. Ignition wiring diagram needed peachparts mercedes benz forum. Hence, there are several books being received by pdf format. If there is a pictures that violates the rules or you want to give criticism and suggestions about ignition key switch wiring diagram please contact us on contact us page.

Piaggio x9 500 cc manual online:

Post aboutignition switch wiring diagram generator wiring diagram images and schematic free download. Hence, there are several books being received by pdf format. The haynes manual says top right is ign to tach and bottom right says ign to splice b. Piaggio x9 500 cc manual online: Please try to watch the whole thing and not skip around. When key switch is turned, closes to start engine (and energizes solenoid), releasing key switch opens switch (solenoid. Use wiring diagrams to assist in building or manufacturing the circuit or electronic device. Chinese atv starter switch chinese atv moped ignition wiring diagram furthermore 110cc atv wiring harness. I need the wiring diagram for a 1975 camaro ignition system. Ignition switch wiring diagram, size: Read or download ignition switch wiring for free diagram 1975 at activediagram.acacus.it. Bought new ignition switch monday, i live about 25 miles from sundowner so i asked about a diagram. 1975 dodge pick up drive along and engine turns off like.

Iklan Atas Artikel

Iklan Tengah Artikel 1

Iklan Tengah Artikel 2

Iklan Bawah Artikel