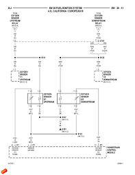
Jeep Cherokee O2 Sensor Wiring Colors : Ignition System Wiring Diagram 1993 1995 4 0l Jeep Cherokee / 93 grand cherokee does not come with a speedometer cable.

Jeep Cherokee O2 Sensor Wiring Colors : Ignition System Wiring Diagram 1993 1995 4 0l Jeep Cherokee / 93 grand cherokee does not come with a speedometer cable.. Check for damaged components and look for broken, bent, pushed out, or corroded. Never apply any type of grease to the oxygen sensor electrical connector, or attempt any soldering of the sensor wiring harness. Post all codes, do not rely on the key on off trick it will not show all codes.get a scan free at most parts stores. There are two ground wires coming out of the same wiring harness as the o2 sensor, attaching to it. The o2 sensors help regulate the fuel economy in your jeep cherokee.

I have 2004 jeep grand cherokee overland 4.7l ho and i have four sensor reading from obdii said not working p0031 p0051 p0136 p0155.can this all be. Can someone post up a picture of the pigtail so i can get the wiring correct? I just recently rebuilt my motor and transmission. Hey, i have a 2007 jeep compass and the check engine light is on. I am having the same problem with my 93 jeep cherokee.

I Have A 2007 Jeep Wrangler And I Believe I Have 2 Oxygen Sensors Located In The Top Of The First 2 Catilytic
I Have A 2007 Jeep Wrangler And I Believe I Have 2 Oxygen Sensors Located In The Top Of The First 2 Catilytic from www.justanswer.com
I think most, if not all, oxygen sensor wiring (wiring from the o2s) is the same. One other thing you can do with the o2 sensor is hook up the voltmeter to terminals b and c (i can't remember if those are the right letters, but you want to get the sensor wire (believe it was blue) and the ground wire, or just ground. I had to replace the downstream o2 sensor wiring harnesses and sensor because they were ripped out by a stick.(dont ask, its a jeep). Jeep grand cherokee wj electrical wiring diagram. Check for damaged components and look for broken, bent, pushed out, or corroded. Visually inspect the related wiring harness and connectors. Typically, the only symptom of p0138 is going to be the service engine soon light. The only difference is the colors of the wires of the engine wiring harness rear o2 sensor connector.

O2 wiring diagram wiring diagram 500.

Alibaba.com offers 1,827 jeep o2 sensor products. You know you have the right connector unplugged if you try to start the vehicle and it doesn't start. O2 sensor wire colors from the car jeep garage jeep, 9 complaints 2004 jeep grand cherokee electrical system, 2001 jeep cherokee wiring diagram 01 cherokee o2 sensor, 1993 1995 oxygen o2 sensor wiring diagram jeep 4 0l, repair guides wiring diagrams see figures 1 through, where are the. One other thing you can do with the o2 sensor is hook up the voltmeter to terminals b and c (i can't remember if those are the right letters, but you want to get the sensor wire (believe it was blue) and the ground wire, or just ground. Seeking information concerning 1997 jeep grand cherokee o2 sensor wiring diagram? I changed my o2 sensors because one was broken but now still same problem … read more. Wiring diagrams for 2002 jeep grand cherokee diagram data. There are two ground wires coming out of the same wiring harness as the o2 sensor, attaching to it. This is due to the fact that o2 sensors are under the chassis. What are the color on a 2005 chevrolet cobalt oxygen sensor? Post all codes, do not rely on the key on off trick it will not show all codes.get a scan free at most parts stores. The o2 sensors help regulate the fuel economy in your jeep cherokee. 01 cherokee o2 sensor engine wiring diagram jeep cherokee forum.

My jeeps oxygen sensor wiring harness was ripped off when the thing wrapped around my drive shaft. I changed my o2 sensors because one was broken but now still same problem … read more. I am having the same problem with my 93 jeep cherokee. O2 sensor wire colors from the car jeep garage jeep, 9 complaints 2004 jeep grand cherokee electrical system, 2001 jeep cherokee wiring diagram 01 cherokee o2 sensor, 1993 1995 oxygen o2 sensor wiring diagram jeep 4 0l, repair guides wiring diagrams see figures 1 through, where are the. Charade g30 wiring diagram 67 jeep cj5 ignition switch wiring humidifier aprilaire 600 wiring diagram toro wiring diagram for 4000 light switch schematic bo wiring 2001 impala radio wiring diagram virtual power plant diagram modine fan wiring diagram 95 lt1 wiring harness bmw r1150gs wiring diagram.

O2 Sensor Question
O2 Sensor Question from www.jeepz.com
Come join the discussion about reviews, performance, trail riding, gear, suspension, tires, classifieds, troubleshooting, maintenance, for all jl, jt, jk, tj, yj, and cj. See if the xj cherokee diagrams above pertain to the rest of your gc o2s wiring, and if so, use them to repair your damaged wiring. Mine is right at 175 ohms. Wiring diagrams for 2002 jeep grand cherokee diagram data. Jeep commander o2 sensor wiring. Jeep no start ricks free auto repair advice ricks free. See other repairs at our jeep cherokee page. Seeking information concerning 1997 jeep grand cherokee o2 sensor wiring diagram?

What could be causing this and where.

I bought a new pigtail at the dealership, but all the wires are the same color. O2 sensor wiring (colors needed!) jump to latest follow. When i look in the chiltons manual, its says short to voltage. Repair information for p0138 jeep code. The o2 sensors help regulate the fuel economy in your jeep cherokee. Wiring diagrams for 2002 jeep grand cherokee diagram data. Jeep commander o2 sensor wiring. Alibaba.com offers 1,827 jeep o2 sensor products. It uses a vss (vehicle speed sensor) system. This is due to the fact that o2 sensors are under the chassis. What are the color on a 2005 chevrolet cobalt oxygen sensor? O2 sensor wire colors from the car jeep garage jeep, 9 complaints 2004 jeep grand cherokee electrical system, 2001 jeep cherokee wiring diagram 01 cherokee o2 sensor, 1993 1995 oxygen o2 sensor wiring diagram jeep 4 0l, repair guides wiring diagrams see figures 1 through, where are the. 1993, 1994, 1995 4.0l jeep grand cherokee.

A forum community dedicated to jeep wrangler owners and enthusiasts. I changed my o2 sensors because one was broken but now still same problem … read more. This is the pigtail that plugs into the back o2 sensor. See other repairs at our jeep cherokee page. I got a code on it that said to change the o2 sensor.

Help O2 Sensor Wiring Ripped Out
Help O2 Sensor Wiring Ripped Out from www.jeepz.com
Seeking information concerning 1997 jeep grand cherokee o2 sensor wiring diagram? See other repairs at our jeep cherokee page. This manual has been prepared to help inspection and service works involving electric. It uses a vss (vehicle speed sensor) system. Jeep commander o2 sensor wiring. One other thing you can do with the o2 sensor is hook up the voltmeter to terminals b and c (i can't remember if those are the right letters, but you want to get the sensor wire (believe it was blue) and the ground wire, or just ground. My jeep grand cherokee will not go past 20mph. 5 wire color code chart after it followed by the tracer color.

This is the pigtail that plugs into the back o2 sensor.

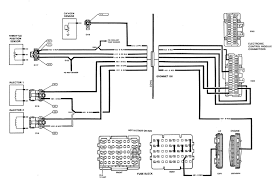
Jeep grand cherokee wj electrical wiring diagram. I bought a new pigtail at the dealership, but all the wires are the same color. The only difference is the colors of the wires of the engine wiring harness rear o2 sensor connector. I changed my o2 sensors because one was broken but now still same problem … read more. 93 grand cherokee does not come with a speedometer cable. Can someone post up a picture of the pigtail so i can get the wiring correct? Check for damaged components and look for broken, bent, pushed out, or corroded. This is due to the fact that o2 sensors are under the chassis. If it does not, than replacement is required. One other thing you can do with the o2 sensor is hook up the voltmeter to terminals b and c (i can't remember if those are the right letters, but you want to get the sensor wire (believe it was blue) and the ground wire, or just ground. 01 cherokee o2 sensor engine wiring diagram jeep cherokee forum. Post all codes, do not rely on the key on off trick it will not show all codes.get a scan free at most parts stores. Grand cherokee oxygen sensor locations for 4.0 and 4.7 engines.

Iklan Atas Artikel

Iklan Tengah Artikel 1

Iklan Tengah Artikel 2

Iklan Bawah Artikel