Ceiling Fan Wiring Diagram Red Wire - 4 Wire Ceiling Fan Switch Wiring Diagram Gallery Laptrinhx News - Electrical wiring representations are made up of 2 points:

Ceiling Fan Wiring Diagram Red Wire - 4 Wire Ceiling Fan Switch Wiring Diagram Gallery Laptrinhx News - Electrical wiring representations are made up of 2 points:. How to connect a ceiling fan red wire. Wiring a ceiling fan with four wires is the most common, however, an additional color. Wiring ceiling fan red wire fans in hunter diagram. The ceiling fan capacitor wiring has become easy if you know about the start, run, and common connection in i hope after the ceiling fan capacitor wiring diagram and post you will easily wire a ceiling fan. To connect your ceiling fan to existing wires, make sure that you have the right fan hardware and cut off the electricity leading to those wires.

Ac single phase capacitor start motor has two winding; A wiring diagram is a straightforward aesthetic representation of the physical connections and also physical design of an electrical system or circuit. (ungrounded) from the ceiling to the black wire from the receiver (marked. Having the right tools will help the project go smoothly. How to connect a ceiling fan red wire.

How Should I Wire A Ceiling Fan Remote Where Two Switches Are Used To Control The Fixture Home Improvement Stack Exchange
How Should I Wire A Ceiling Fan Remote Where Two Switches Are Used To Control The Fixture Home Improvement Stack Exchange from i.stack.imgur.com
Ceiling fan wiring diagram ceiling fan installation ceiling fan mounting bracket ceiling fan light switch ceiling fan color code wire black red bleu wight ce. While it may seem challenging to wire the device, sometimes it depends on the type of fan you have and how it should operate. Somanytech brings you the red wire 'ceiling fan wiring'. Wire your fan in this article: If the box in the ceiling has red, black, white, and green (or bare copper), then there is a wall switch which energizes the red wire. Electrical wiring representations are made up of 2 points: You can interchange or replace the color of live wire if you. This is a simple wiring diagram of ceiling fan.

To prepare for connecting the wires together, strip the plastic off the ends of the wires down from the end a half inch.

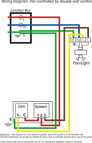
Single wall switch wiring | dual wall switch wiring note: The red wire or 24 vac power lead is connected. If you have a blue and black wire hanging out from your ceiling, you should also have 2 switches on your wall. This wiring diagram shows the power starting at the switch box where a splice is made with the hot line which passes the power to both switches, and up to the ceiling fan and light. The white wires are wire nutted together and the bare copper grounds are wire nutted together so they can continue the circuit. Wiring ceiling fan red wire fans in hunter diagram. It's important to understand what each wire does and how it connects with the others. The line voltage enters the switch outlet box and the hot wire will connect to every switch. A wiring diagram is a kind of schematic which uses abstract photographic symbols to reveal all the affiliations of components in a system. Is coming in this post, we have told in detail about how to find the common wire, in the ceiling fan below, the red wire is a common wire, the yellow wire is from the running winding and the black wire is from the. Electrical wiring representations are made up of 2 points: 3) do i cap the ground wire from my new cable run to ceiling fan ground wire, just as i do for the black, white and red/blue wires? How do you install a ceiling fan with a red wire?

I have a 3 wire capacitor with a red wire on one end and yellow and purple on the other. Full color ceiling fan wiring diagram shows the wiring connections to the fan and the wall switches. Wire your fan in this article: To connect your ceiling fan to existing wires, make sure that you have the right fan hardware and cut off the electricity leading to those wires. A wiring diagram is a straightforward aesthetic representation of the physical connections and also physical design of an electrical system or circuit.

Ceiling Fan Realized Colors Of Wires Don T Match Diagram I Have A Test Light And Multimeter Available Can Someone Help Me Figure Out Proper Connection Thanks In Advance Askanelectrician
Ceiling Fan Realized Colors Of Wires Don T Match Diagram I Have A Test Light And Multimeter Available Can Someone Help Me Figure Out Proper Connection Thanks In Advance Askanelectrician from i.redd.it
Ceiling fan single switch wiring diagram this wiring method is used when the power source is from the ceiling fan and light switch wiring diagram : A black wire to carry the hot fee a white wire for the. The red wire is used on a ceiling fan installation when the wiring includes two wall switches in which case one switch operates the light and the other switch operates a black wire to carry the hot feed a white wire for. Ceiling fan wiring diagram 3: 2 wiring ceiling and light with one switch. Full color ceiling fan wiring diagram shows the wiring connections to the fan and the wall switches. 3) do i cap the ground wire from my new cable run to ceiling fan ground wire, just as i do for the black, white and red/blue wires? The red wire is spliced to the output on the dimmer and at the other end to the blue light wire.

The red wire is spliced to the output on the dimmer and at the other end to the blue light wire.

Ceiling fan with light kit wiring diagram. This is a simple wiring diagram of ceiling fan. The diagram shows how the wiring works. Symbols that represent the elements in the circuit, as well as lines that stand for the links in between. Wiring diagrams for a ceiling fan and light kit. Ceiling fan has a capacitor start motor in its inside. A wiring diagram is a kind of schematic which uses abstract photographic symbols to reveal all the affiliations of components in a system. Having the right tools will help the project go smoothly. Tools needed for wiring a ceiling fan. It also ensures you don't get bogged down trying to use, for example, a author's note: Installing ceiling fan red wire remote control tags : Ceiling fan single switch wiring diagram this wiring method is used when the power source is from the ceiling fan and light switch wiring diagram : (ungrounded) from the ceiling to the black wire from the receiver (marked.

The white wires are wire nutted together and the bare copper grounds are wire nutted together so they can continue the circuit. The line voltage enters the switch outlet box and the hot wire will connect to every switch. To connect your ceiling fan to existing wires, make sure that you have the right fan hardware and cut off the electricity leading to those wires. Ceiling fan wiring diagramceiling fan installationceiling fan mounting bracketceiling fan light switchceiling fan color code wire black red bleu wight. Each allows a fan to work well and ensures safety by preventing electric surges.

Wiring A Ceiling Fan And Light With Diagrams Pro Tool Reviews
Wiring A Ceiling Fan And Light With Diagrams Pro Tool Reviews from cdn.protoolreviews.com
Most common electrical cables include three conductors: This article contains a ceiling fan wiring diagram and a light kit. Ac single phase capacitor start motor has two winding; Wiring ceiling fan red wire fans in hunter diagram. If the box in the ceiling has red, black, white, and green (or bare copper), then there is a wall switch which energizes the red wire. Components of hunter ceiling fan switch wiring diagram and some tips. Connect the red wire as live to the combo of single way switch and fan speed regulator ( same enclosed box where single way and regulator switch are. If you have a blue and black wire hanging out from your ceiling, you should also have 2 switches on your wall.

Therefore, from wiring diagrams, you understand the relative location of the components and how these are connected.

Diagrams for bathroom exhaust fans and timers. Installing ceiling fan red wire remote control tags : Connect the red wire as live to the combo of single way switch and fan speed regulator ( same enclosed box where single way and regulator switch are. All wires in a ceiling fan have their specific functions. The red wire is spliced to the output on the dimmer and at the other end to the blue light wire. The white wires are wire nutted together and the bare copper grounds are wire nutted together so they can continue the circuit. Somanytech brings you the red wire 'ceiling fan wiring'. Ceiling fan wiring diagram 3: This wiring diagram shows the power starting at the switch box where a splice is made with the hot line which passes the power to both switches, and up to the ceiling fan and light. Having the right tools will help the project go smoothly. The ceiling fan capacitor wiring has become easy if you know about the start, run, and common connection in i hope after the ceiling fan capacitor wiring diagram and post you will easily wire a ceiling fan. If you do not feel ceiling fan rated electrical box wires. But, it does not mean connection between the cables.

Iklan Atas Artikel

Iklan Tengah Artikel 1

Iklan Tengah Artikel 2

Iklan Bawah Artikel