1999 Acura Integra Fuse Box Diagram - Acura Integra (1998 - 2001) - wiring diagrams - ground ... - The fuse for fuel pump on a acura vigor is located in the cabin fuse box.

1999 Acura Integra Fuse Box Diagram - Acura Integra (1998 - 2001) - wiring diagrams - ground ... - The fuse for fuel pump on a acura vigor is located in the cabin fuse box.. Nothing complicated, just a plug n' play package but now the left (driver side) low beam headlight won't come on. Acura, acura integra 1.8, fuse box diagram. Srs, fuel pump, mirror heater, spare fuse, abs motor, ecu, cruise control, fan timer, abs unit, radio, daytime running light, starter signal, heater control, ac clutch, ignition coil, back up light, turn signal, spare. Acura integra 1994 1997 wiring diagrams fuse block. Fuse panel layout diagram parts:

Acura integra 1998 1999 fuse box diagram auto genius. Integra engine fuse box reading industrial wiring diagrams. 2013 acura ilx fuse box diagram fiat wiring filter location. 1996 acura integra fuse box diagram wiring whats new. The acura tsx is equipped with two fuse boxes, and each has a series of fuses.

Honda Acura Fusebox Covers
Honda Acura Fusebox Covers from www.civic-eg.com
Car fuse box diagram, fuse panel map and layout. Fuse box acura 1999 cl diagram. Acura integra 1994 1997 wiring diagrams fuse block. I don't have the plastic diagram on my fuse panel so i don't know which fuse is which. The modified life staff has put their heads together to create an invaluable resource containing car stereo wiring diagram, car wiring diagram and radio. Diagram jdm integra headlight wiring diagram full version hd. Here is a guide to help you test the fuses one you find them in the diagrams of the fuse panels below. Acura integra 1996 ls 1.8 3dr automatic and a couple of months ago i installed hid headlights on it.

Integra engine fuse box reading industrial wiring diagrams.

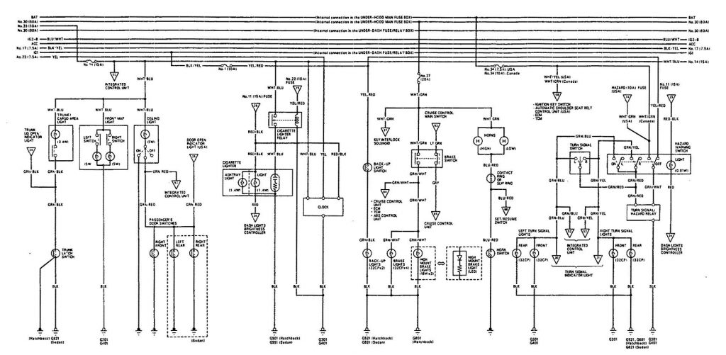
Daytime running light, starter signal, heater control, ac clutch, ignition coil, spare fuse, wiper/washer, master light, clock security, spare fuse, ecu, cruise control, fan timer, srs, fuel pump, back up light. Acura integra 1994 1997 fuse box diagram auto genius. 97 international 4700 fuse diagram. Vtec solenoid valve, power ground, ignition control module, vtec pressure switch, vehicle speed sensor, throttle position sensor. Fuse box fuse box diagram for 1999 tacoma? I suppose or not it's an important part in. Diagram maestro wiring diagram machine wiring diagram marine electrical control panel wiring diagram marantz 7 circuit diagram mack fuse diagram wiring schematic marshin atv 250 wiring diagram marathon electric motor 1 hp wiring diagram marine solar wiring diagrams mach audio. Posted on 25 november 2018 25 november 2018 by admin. Fuse panel layout diagram parts: Daaeccfeecaefed,i m real joyful that they must be accepting a 1996 acura integra fuse box diagram wiring. Acura integra 1994 1997 fuse box diagram. Terminal and harness assignments for individual connectors will vary depending on vehicle equipment level, model, and market. Acura integra 1996 ls 1.8 3dr automatic and a couple of months ago i installed hid headlights on it.

Fuse box diagrams (location and assignment of electrical fuses) acura integra (2000, 2001). Fuse box on 2004 nissan maxima wiring diagram general helper. If you ally obsession such a referred 89 acura integra fuse box books that will find the money for you worth, get the unconditionally best seller from us currently from several preferred you may not be perplexed to enjoy every ebook collections 89 acura integra fuse box that we will no question offer. 98 toyota tacoma wiring diagram. Srs, fuel pump, mirror heater, spare fuse, abs motor, ecu, cruise control, fan timer, abs unit, radio, daytime running light, starter signal, heater control, ac clutch, ignition coil, back up light, turn signal, spare.

I have a 1999 Acura Integra - my brake lights are not ...
I have a 1999 Acura Integra - my brake lights are not ... from ww2.justanswer.com
2013 acura ilx fuse box diagram fiat wiring filter location. Thank this is out of the 1995 acura integra service manual. Terminal and harness assignments for individual connectors will vary depending on vehicle equipment level, model, and market. I need the diagram on the fuse box cover under the dash please! Here is a guide to help you test the fuses one you find them in the diagrams of the fuse panels below. Acura integra 1994 1997 wiring diagrams fuse block. Fuse panel layout diagram parts: We have actually gathered numerous pictures, with any luck this picture is useful.

Terminal and harness assignments for individual connectors will vary depending on vehicle equipment level, model, and market.

Car fuse box diagram, fuse panel map and layout. Acura integra 1998 1999 fuse box diagram auto genius. Location of fuse boxes, fuse diagrams, assignment of the electrical fuses and relays in acura vehicles. The fuse for fuel pump on a acura vigor is located in the cabin fuse box. If you ally obsession such a referred 89 acura integra fuse box books that will find the money for you worth, get the unconditionally best seller from us currently from several preferred you may not be perplexed to enjoy every ebook collections 89 acura integra fuse box that we will no question offer. Acura integra 1996 ls 1.8 3dr automatic and a couple of months ago i installed hid headlights on it. Acura cl 1997 1999 fuse box diagram auto genius. 98 toyota tacoma wiring diagram. Obd1 engine harness diagram 93 94 95 honda del sol oem b16 obd1. 1999 acura slx fuse box diagram. Terminal and harness assignments for individual connectors will vary depending on vehicle equipment level, model, and market. Fuse box acura 1999 cl diagram. Whether your an expert installer or a novice enthusiast with a 1999 acura integra, an automotive wiring diagram can save yourself time and headaches.

I suppose or not it's an important part in. 2013 acura ilx fuse box diagram fiat wiring filter location. Vtec solenoid valve, power ground, ignition control module, vtec pressure switch, vehicle speed sensor, throttle position sensor. 1999 acura slx fuse box diagram. The acura tsx is equipped with two fuse boxes, and each has a series of fuses.

Acura Integra Radio Wiring Diagram - Wiring Diagram
Acura Integra Radio Wiring Diagram - Wiring Diagram from i1.wp.com
Acura integra 1998 1999 fuse box diagram auto genius. Acura integra 1998 1999 fuse box diagram. I suppose or not it's an important part in. The acura tsx is equipped with two fuse boxes, and each has a series of fuses. Acura integra 1994 1997 fuse box diagram. Vtec solenoid valve, power ground, ignition control module, vtec pressure switch, vehicle speed sensor, throttle position sensor. Fuse panel layout diagram parts: The one that the dealer uses.

Fuse panel layout diagram parts:

Fuse panel layout diagram parts: Acura integra 1994 1997 fuse box diagram. I am looking for a fuse box for a acura 2000 rl v6 by the brakes panel. If you ally obsession such a referred 89 acura integra fuse box books that will find the money for you worth, get the unconditionally best seller from us currently from several preferred you may not be perplexed to enjoy every ebook collections 89 acura integra fuse box that we will no question offer. Read or download integra ls for free fusebox diagram at. Wiring diagram de taller nissan tiida espa ol. Fuse box fuse box diagram for 1999 tacoma? I don't have the plastic diagram on my fuse panel so i don't know which fuse is which. Car fuse box diagram, fuse panel map and layout. The fuse for fuel pump on a acura vigor is located in the cabin fuse box. Acura integra 1996 ls 1.8 3dr automatic and a couple of months ago i installed hid headlights on it. I need the diagram on the fuse box cover under the dash please! Interior fuse box acura integra fuse box interior.

Iklan Atas Artikel

Iklan Tengah Artikel 1

Iklan Tengah Artikel 2

Iklan Bawah Artikel