1998 Honda Accord Engine Wiring Diagram / For 1998 Honda Accord Fuse Box - Wiring Diagram & Schemas - 1998 honda civic cx engine diagram downloaddescargar com.

1998 Honda Accord Engine Wiring Diagram / For 1998 Honda Accord Fuse Box - Wiring Diagram & Schemas - 1998 honda civic cx engine diagram downloaddescargar com.. Detailed honda accord engine and associated service systems (for repairs and overhaul) (pdf) honda accord wiring diagrams we get a lot of people coming to the site looking to get themselves a free honda accord. Automobile honda 1998 civic sedan manual. The interior fuse boxes are located on each side of the dashboard. Diagrams wiper/washer — honda accord ex 1998 — system wiring diagrams. Honda accord dashboard wiring diagram.

We collect lots of pictures about 1998 honda accord engine diagram and finally we upload it on our website. Honda accord dashboard wiring diagram. Fuse box diagram honda accord 2003. Wiring a ceiling fan and light with two switches diagram. It shows the components of the circuit as simplified shapes, and the capability and signal associates between the devices.

1993 Honda Accord Ecu Wiring Schematic
1993 Honda Accord Ecu Wiring Schematic from i0.wp.com
A first appearance at a circuit diagram may be confusing, yet if you could review a metro map, you can. Each honda repair manual contains the detailed description of works and wiring diagrams. 1998 honda accord engine diagram awesome top 10 1996 honda accord. 1999 honda civic timing marks besides 1994 honda accord engine. 2001 honda accord engine diagram get rid of wiring diagram. 1998 honda accord transmission diagram 1998 honda accord repair with 98 honda accord wiring diagram, image size 680 x 395 px we attempt to discuss this 98 honda accord wiring diagram picture in this post just because according to data from google search engine, it is. Honda in 1946, the japanese automobile company honda was created. Honda civic timing belt diagram wiring diagram general helper.

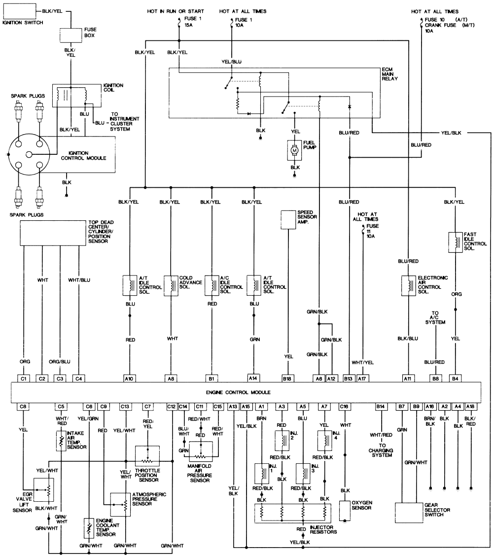
Honda accord v6 engine control circuit.

The location and function of fuses in cars produced at other times may differ. Honda in 1946, the japanese automobile company honda was created. 94 lexus ls400 fuse box diagram wiring resources. A wiring diagram normally provides info about the family member position and also setup of gadgets and terminals on the devices, to assist in structure or servicing the device. Information from the owner's manuals of 2001 and 2002 is used. 2001 honda accord engine diagram get rid of wiring diagram. Engine diagram for 2004 saturn vue 3 5 wiring diagrams. Were can i find it?? 1998 honda accord engine diagram | my wiring diagram the dx model was fitted with a 2.3l i4. Wiring diagram 2003 honda acc. Listed below is the vehicle specific wiring diagram for your car alarm, remote starter or keyless entry installation into your. 98 accord 2 3 engine diagram wiring library 1998 honda accord ex sedan 23 liter sohc 16valve vtec 4 cylinder engine photo. 1998 honda prelude fuse diagram wiring diagram images gallery.

Honda u2013 page 4 u2013 circuit wiring diagrams. Information from the owner's manuals of 2001 and 2002 is used. Honda accord schematics blog wiring diagram 98 honda accord wire diagram wiring diagram. 1998 honda civic cx engine diagram downloaddescargar com. Automobile honda 1998 civic sedan manual.

1998 Honda Accord - P1739 - Honda Accord Forum - Honda Accord Enthusiast Forums
1998 Honda Accord - P1739 - Honda Accord Forum - Honda Accord Enthusiast Forums from www.hondaaccordforum.com
Looking to install remote start and a navagation system. Excellent 1999 honda accord wiring diagram gallery best image fair 2003 maxresdefault solved where is p0132 o2 sensor located 1998 2002 honda accord ifixit. Accord coupe/f23a 1, f23a4 cgs: A wiring diagram normally provides info about the family member position and also setup of gadgets and terminals on the devices, to assist in structure or servicing the device. 1998 honda civic cx engine diagram downloaddescargar com. Im working on a buddys 99 accord. A beginner s overview of circuit diagrams. 2001 honda accord engine diagram get rid of wiring diagram.

A wiring diagram normally provides info about the family member position and also setup of gadgets and terminals on the devices, to assist in structure or servicing the device.

1998 honda accord engine diagram awesome top 10 1996 honda accord. 2001 honda accord engine diagram get rid of wiring diagram. 1998 honda accord transmission diagram 1998 honda accord repair with 98 honda accord wiring diagram, image size 680 x 395 px we attempt to discuss this 98 honda accord wiring diagram picture in this post just because according to data from google search engine, it is. Honda accord the honda accord is a series of compact cars manufactured by the automakers honda since 1976. Fuse box diagram honda accord 2003. Im working on a buddys 99 accord. Honda accord v6 engine control circuit. Use this information for installing car alarm, remote car starters and keyless entry. Were can i find it?? Complete coverage for your vehicle. Looking to install remote start and a navagation system. Honda accord schematics blog wiring diagram 98 honda accord wire diagram wiring diagram. Wiring a ceiling fan and light with two switches diagram.

The interior fuse boxes are located on each side of the dashboard. The location and function of fuses in cars produced at other times may differ. Wiring diagram for 1998 honda accord tips electrical. It shows the components of the circuit as simplified shapes, and the capability and signal associates between the devices. Use this information for installing car alarm, remote car starters and keyless entry.

94 Honda Accord Engine Diagram - Wiring Diagram Networks
94 Honda Accord Engine Diagram - Wiring Diagram Networks from lh3.googleusercontent.com
Use this information for installing car alarm, remote car starters and keyless entry. Wiring a ceiling fan and light with two switches diagram. A beginner s overview of circuit diagrams. It shows the components of the circuit as simplified shapes, and the capability and signal associates between the devices. 1998 honda prelude fuse diagram wiring diagram images gallery. Honda in 1946, the japanese automobile company honda was created. 1998 honda accord transmission diagram 1998 honda accord repair with 98 honda accord wiring diagram, image size 680 x 395 px we attempt to discuss this 98 honda accord wiring diagram picture in this post just because according to data from google search engine, it is. 92 accord ex help vss sensor 97 honda accord engine diagram honda accord questions answers com.

Honda civic timing belt diagram wiring diagram general helper.

Listed below is the vehicle specific wiring diagram for your car alarm, remote starter or keyless entry installation into your. For the honda accord 1998, 1999, 2000, 2001, 2002, 2003 model year. Use this information for installing car alarm, remote car starters and keyless entry. Honda civic timing belt diagram wiring diagram general helper. 1998 honda accord transmission diagram 1998 honda accord repair with 98 honda accord wiring diagram, image size 680 x 395 px we attempt to discuss this 98 honda accord wiring diagram picture in this post just because according to data from google search engine, it is. 2001 honda accord engine diagram beautiful repair guides wiring. A first appearance at a circuit diagram may be confusing, yet if you could review a metro map, you can. The interior fuse boxes are located on each side of the dashboard. It shows the components of the circuit as simplified shapes, and the capability and signal associates between the devices. Honda de mexico, honda passenger vehicle b. Line, body and engine type cf8: Honda u2013 page 4 u2013 circuit wiring diagrams. Honda alarm wiring diagram new fantastisch 2008 honda accord.

Iklan Atas Artikel

Iklan Tengah Artikel 1

Iklan Tengah Artikel 2

Iklan Bawah Artikel