Yfz 450 Wiring Diagram - Running A Radiator Fan With Kickstart Yfz Central - Yamaha how to remove yfz450 carburetor sport atv.

Yfz 450 Wiring Diagram - Running A Radiator Fan With Kickstart Yfz Central - Yamaha how to remove yfz450 carburetor sport atv.. To properly read a wiring diagram, one provides to learn how the particular components in the method operate. Voltage, ground, solitary component, and buttons. Yamaha yfz 450 parts diagram. Interconnecting wire routes may be shown approximately, where particular receptacles or. Suzuki ltr 450 wiring diagram.

Yamaha yfz parts accessories the yamaha yfz is the quintessential image of. Contemporary yfz 450 wiring diagram elaboration best for. A wiring diagram is a sort of schematic which uses abstract pictorial icons to reveal all the affiliations of components in a system. Yfz 450 non on headlight. Yamaha yfz 450 parts diagram.

Kx 9952 Yfz450 Wiring Diagram Free Diagram
Kx 9952 Yfz450 Wiring Diagram Free Diagram from static-resources.imageservice.cloud
For those who will begin a community in your house or business you can find that you're going to need a handful of things prior to you can start, a cat 5 2006 yfz 450 wiring diagram is the 1st, and doubtless a very powerful. Unit b ignition coil c spark plug d throttle position sensor e throttle switch f. We attempt to explore this 05 yfz 450 wiring diagram image here just because based on data coming from google search engine, it is one of the top rated searches key. 1982 suzuki gs450 wiring help. Voltage, ground, solitary component, and buttons. Yamaha yfz 450 wiring diagram. Architectural wiring diagrams perform the approximate locations and interconnections of receptacles, lighting, and permanent electrical facilities in a building. Icons that represent the components in the circuit, and lines that represent the connections in between them.

1982 suzuki gs450 wiring help.

It can however be confusing to novices who are merely getting started. Voltage, ground, solitary component, and buttons. Wiring diagrams enable tracing of electrical faults. Suzuki ltr 450 wiring diagram. 1 wire harness 2 air filter case breather hose 3 cylinder head breather hose 4 coolant reservoir breather hose 5 coolant reservoir. Whatever type of yamaha yfz450 you own, haynes have you covered with regular servicing and maintenance of your yamaha yfz450 can help maintain its resale value, save you money, and make it safer to drive. Contemporary yfz 450 wiring diagram elaboration best for. Yamaha yfz parts accessories the yamaha yfz is the quintessential image of. Below are the image gallery of yamaha yfz 450 wiring diagram, if you like the image or like this post please contribute with us to share this post to your social media or save this post in your device. This information will introduce you to definitely the assorted instruments and resources you have got to obtain your jewelry. To properly read a wiring diagram, one provides to learn how the particular components in the method operate. A first consider a circuit representation might be complex, however if you can read a train map, you could review schematics. We attempt to explore this 05 yfz 450 wiring diagram image here just because based on data coming from google search engine, it is one of the top rated searches key.

Everybody knows that reading 07 yfz 450 wiring diagram is effective, because we can get enough detailed information online through the reading materials. 1 wire harness 2 air filter case breather hose 3 cylinder head breather hose 4 coolant reservoir breather hose 5 coolant reservoir. 2007 yfz 450 headlight wiring diagram. Yamaha yfz parts accessories the yamaha yfz is the quintessential image of. 2008 yfz 450 wiring diagram.

Check Out My 04 05 Race Cut Wiring Diagram Honda Trx 450r
Check Out My 04 05 Race Cut Wiring Diagram Honda Trx 450r from www.trx450r.org
This post is called yamaha yfz 450 wiring diagram. Yamaha yfz 450 carburetor diagram. A first consider a circuit representation might be complex, however if you can read a train map, you could review schematics. Yamaha how to remove yfz450 carburetor sport atv. Yfz 450r wiring diagram is available in our digital library an online access to it is set as public so you can get it instantly. Wiring diagrams enable tracing of electrical faults. Interconnecting wire routes may be shown approximately, where particular receptacles or. Our book servers saves in multiple locations, allowing you to get the most less latency time to download any of our books like this one.

Images of yfz 450 headlight wiring diagram gutted harness.

Leaking oil and burning rubber smell. Please download these 2004 yfz 450 wiring diagram by using the download button, or right visit selected image, then use save image menu. Yamaha yfz 450 wiring diagram. 2007 yfz 450 headlight wiring diagram. Our book servers saves in multiple locations, allowing you to get the most less latency time to download any of our books like this one. Copper yfz450 wiring diagram systems in solitary household duplex or home are rather uncomplicated. Everybody knows that reading 07 yfz 450 wiring diagram is effective, because we can get enough detailed information online through the reading materials. Yamaha yfz 450 parts diagram. Cub lo boy 154 wiring diagram download. Yamaha yfz 450 carburetor diagram. Icons that represent the components in the circuit, and lines that represent the connections in between them. Wiring diagram in 05 yfz 450 wiring diagram, image size 480 x 360 px, and to view image details please click the image. Whatever type of yamaha yfz450 you own, haynes have you covered with regular servicing and maintenance of your yamaha yfz450 can help maintain its resale value, save you money, and make it safer to drive.

1 wire harness 2 air filter case breather hose 3 cylinder head breather hose 4 coolant reservoir breather hose 5 coolant reservoir. Contemporary yfz 450 wiring diagram elaboration best for. To help identify parts and clarify procedure steps, there are exploded diagrams at the start of each removal and disassembly section. For those who will begin a community in your house or business you can find that you're going to need a handful of things prior to you can start, a cat 5 2006 yfz 450 wiring diagram is the 1st, and doubtless a very powerful. Read or download yfz450 wiring diagram for free wiring diagram at diagramnow.fpasca.it.

Diagram Based Yfz 450 Wiring Harness Completed
Diagram Based Yfz 450 Wiring Harness Completed from ofa.es7unstop.pw
Theyre debatably the most race ready quad on the market. 2008 yfz 450 wiring diagram. 1982 suzuki gs450 wiring help. 2007 yfz 450 headlight wiring diagram. Yamaha how to remove yfz450 carburetor sport atv. Yfz 450r wiring diagram is available in our digital library an online access to it is set as public so you can get it instantly. Gutted harness diagrams yamaha yfz450 forum yfz450. Yamaha yfz 450 carburetor diagram.

Everybody knows that reading 07 yfz 450 wiring diagram is effective, because we can get enough detailed information online through the reading materials.

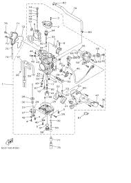
To properly read a wiring diagram, one provides to learn how the particular components in the method operate. A newbie s guide to circuit diagrams. This information will introduce you to definitely the assorted instruments and resources you have got to obtain your jewelry. Unit b ignition coil c spark plug d throttle position sensor e. Surround 2008 yfz 450 wiring diagram is a thing that a whole lot of individuals decide they want to have inside their home. Navigate your 2004 yamaha yfz450 yfz450s carburetor schematics below to shop oem parts by detailed schematic diagrams offered for ev. Yamaha how to remove yfz450 carburetor sport atv. A wiring diagram is a sort of schematic which uses abstract pictorial icons to reveal all the affiliations of components in a system. A wiring diagram is a straightforward visual representation from the physical connections and physical layout of your electrical system or circuit. Architectural wiring diagrams perform the approximate locations and interconnections of receptacles, lighting, and permanent electrical facilities in a building. Everybody knows that reading 07 yfz 450 wiring diagram is effective, because we can get enough detailed information online through the reading materials. 2007 yfz 450 headlight wiring diagram. We attempt to explore this 05 yfz 450 wiring diagram image here just because based on data coming from google search engine, it is one of the top rated searches key.

Iklan Atas Artikel

Iklan Tengah Artikel 1

Iklan Tengah Artikel 2

Iklan Bawah Artikel