Jeep Yj Ignition Switch Wiring Diagram / Limited wagoneer: I have a 1988 jeep limited edition wagoner : 1987 1995 jeep yj wrangler steering column 4wd com.

Jeep Yj Ignition Switch Wiring Diagram / Limited wagoneer: I have a 1988 jeep limited edition wagoner : 1987 1995 jeep yj wrangler steering column 4wd com.. My gm harness and computer are out of a 93 chevy 12 ton i want to use the yj bulkhead plug to get my ignition power and for my gauges but i can not find a wiring diagram to tell me what pin outs and wires are what for a 95 4 cyl. Jeep wrangler jk wiring diagram free fresh wrangler yj wiring. 1987 1995 jeep yj wrangler steering column 4wd com. Wrg 0626 jeep wrangler steering column wiring diagram. Diagram 1991 jeepanche wiring jeep wrangler yj alternator radio 1990 dash gas gauge 1989 full 99 grand cherokee 1996 97 tail light ignition switch 1995 1988 comanche fuse for 2007 saab 95 box park starter solenoid brake 94 vacuum wire 92 diagrams index 1987 service 1969 jeepmando 6 cyl engine fuel pump free 2018.

If you run into an electrical problem with your jeep, you may want to take a moment and check a few things out for yourself. If you can afford it get an msd tfi coil. 1989 jeep yj ignition wiring diagram wiring diagram center. Chrysler wiring diagrams are designed to provide information regarding the vehicles wiring content. Ignition control module connector identification courtesy of chrysler motors.

Cj7 Hei Ignition Solenoid Wiring Diagram
Cj7 Hei Ignition Solenoid Wiring Diagram from diagramweb.net
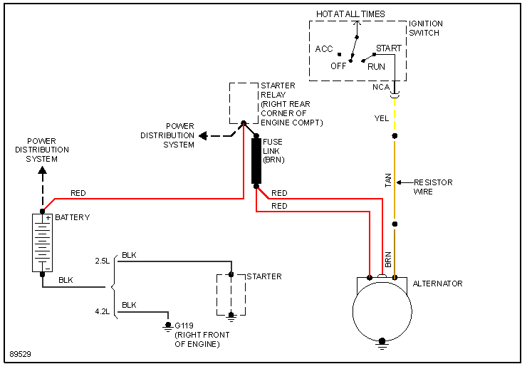
The tachometer output signal wire of the icm is connected to pin no. Set it up improperly and it can potentially deadly. Select the model and year then in the next box go down to wiring diagrams. After the clutch pedal position switch it changes to yellow with a red tracer on it (yl rd. So if you tap into the wire coming out of the ignition switch, before the clutch pedal position switch, it will be yellow. If you can afford it get an msd tfi coil. Engine controls 1987 with 25l engine. The best free wrangler drawing images download from 73 free.

If you run into an electrical problem with your jeep, you may want to take a moment and check a few things out for yourself.

Diagram 94 jeep wrangler vacuum full version hd quality diagramman vocatio2008 it. The ignition switch is on page 29 and 30 (of 246) have a look and see how far you get with that info. 94 jeep cherokee ignition wiring diagram jeep 1994 grand cherokee question. Diagrams needed are for yj wranglers only and should be posted under the yj 87'' engine electrical wiring diagram yj wrangler. Dose anyone have, or know where, online, to find a good wiring diagram for the ignition switch on a 93 yj? Click on the image to enlarge, and then save it to your computer by right clicking on the image. You can view the fsm online at jeep service manuals. 1995 jeep wrangler fuse panel diagram getting started of. Jeep yj fuel pump wiring diagram pictures. Select the model and year then in the next box go down to wiring diagrams. Jeep wrangler ignition switch wiring diagram. 1989 jeep wrangler 4.2 ecm wiring diagram. Set it up improperly and it can potentially deadly.

Well here are a few more wiring diagrams for jeep wrangler this time for the jeep yj series years 1987 to 1994. 1989 jeep yj ignition wiring diagram wiring diagram center. Diagram 94 jeep wrangler vacuum full version hd quality diagramman vocatio2008 it. Diagram 1991 jeepanche wiring jeep wrangler yj alternator radio 1990 dash gas gauge 1989 full 99 grand cherokee 1996 97 tail light ignition switch 1995 1988 comanche fuse for 2007 saab 95 box park starter solenoid brake 94 vacuum wire 92 diagrams index 1987 service 1969 jeepmando 6 cyl engine fuel pump free 2018. Chrysler wiring diagrams are designed to provide information regarding the vehicles wiring content.

Jeep Yj Ignition Switch Wiring Diagram - Wiring Diagram Schemas
Jeep Yj Ignition Switch Wiring Diagram - Wiring Diagram Schemas from ww2.justanswer.com
1 of the d1 diagnostic connector. We carry a large selection of jeep electrical replacement parts including alternator, wiring & ignition parts. Ignition control module connector identification courtesy of chrysler motors. Fixing electrical wiring, a lot more than any other home project is about protection. So if you tap into the wire coming out of the ignition switch, before the clutch pedal position switch, it will be yellow. Jeep yj fuel pump wiring diagram pictures. If you run into an electrical problem with your jeep, you may want to take a moment and check a few things out for yourself. 2008 jeep wrangler starter wiring ignition switch wire colors engine diagram pictures bqp 252 for yj 97 tj needed with forum unlimited key peugeot 1988 i put a 350 chev diagrams bl0 963 le 1987 harnes 1990 1997 stereo wv 1439 pcm to coil pack anybody have diagaram.

#6 • aug 14, 2011.

Click on the image to enlarge, and then save it to your computer by right clicking on the image. Jeep wrangler jk alternator parts. If you were to take a peek under the hood of your yj wrangler, you'd be sure to find one of these contraptions buried under the ignition wires. 89 jeep yj wiring diagram |. 1987 jeep ignition wiring today wiring schematic diagram. Jeep wrangler ignition switch wiring diagram. 1989 jeep yj wiring diagram repair schematic for 1993 wrangler 2004 rubicon dashboard vb 8833 get 1996 cherokee ignition 1994 laredo auto 2003 radio 1991 harness 1988 1989 jeep yj wiring diagram repair jeep yj wiring schematic diagram post exposure wiring diagram for 1993 jeep wrangler partner 2004 jeep rubicon dashboard wiring … My gm harness and computer are out of a 93 chevy 12 ton i want to use the yj bulkhead plug to get my ignition power and for my gauges but i can not find a wiring diagram to tell me what pin outs and wires are what for a 95 4 cyl. Install an electrical outlet appropriately and it's since safe as this can be; You can view the fsm online at jeep service manuals. Diagrams are arranged such that the power (b+) Diagrams needed are for yj wranglers only and should be posted under the yj 87'' engine electrical wiring diagram yj wrangler. 91 jeep wrangler stereo wiring wiring diagram schematics.

The push button starter switch replaces the ignition starter switch. When the starter motor relay energizes. 1989 jeep wrangler 4.2 ecm wiring diagram. Air conditioning units, typical jeep charging unit wiring diagrams, typical emission maintenance reminder wiring diagrams, front end lighting wiring diagrams and switches. Architectural wiring diagrams put it on the approximate locations and interconnections of receptacles, lighting, and permanent electrical facilities in a building.

Important - TeamRush Ignition Upgrade | Jeep-CJ.com
Important - TeamRush Ignition Upgrade | Jeep-CJ.com from jeep-cj.com
If you can afford it get an msd tfi coil. Well here are a few more wiring diagrams for jeep wrangler this time for the jeep yj series years 1987 to 1994. 94 jeep cherokee ignition wiring diagram jeep 1994 grand cherokee question. Fixing electrical wiring, a lot more than any other home project is about protection. The ignition switch supplies battery voltage to the coil side of the starter motor relay on circuit a41 when the key is moved to the start position. Ignition control module connector identification courtesy of chrysler motors. My key cylinder is starting to stick pretty badly, and i'm wanting to just remove it, along with the ignition switch, and install some toggel switches, and a push button for the starter. When you make use of your finger or stick to the circuit with your eyes, it is easy to mistrace the circuit.

1995 jeep wrangler fuse panel diagram getting started of.

89 jeep yj wiring diagram yj wiring help jeep yj. My key cylinder is starting to stick pretty badly, and i'm wanting to just remove it, along with the ignition switch, and install some toggel switches, and a push button for the starter. After the clutch pedal position switch it changes to yellow with a red tracer on it (yl rd. We carry a large selection of jeep electrical replacement parts including alternator, wiring & ignition parts. Install an electrical outlet appropriately and it's since safe as this can be; The pdf includes 'body' electrical diagrams and jeep yj electrical diagrams for specific areas like: 1995 jeep wrangler fuse panel diagram getting started of. My gm harness and computer are out of a 93 chevy 12 ton i want to use the yj bulkhead plug to get my ignition power and for my gauges but i can not find a wiring diagram to tell me what pin outs and wires are what for a 95 4 cyl. 94 jeep cherokee ignition wiring diagram jeep 1994 grand cherokee question. Terminal b of connector no. 1989 jeep yj ignition wiring diagram wiring diagram center. Dose anyone have, or know where, online, to find a good wiring diagram for the ignition switch on a 93 yj? When you make use of your finger or perhaps stick to the circuit along with your eyes, it may be easy to mistrace the circuit.

Iklan Atas Artikel

Iklan Tengah Artikel 1

Iklan Tengah Artikel 2

Iklan Bawah Artikel