Ford L9000 Wiring Diagram / 69 Cadillac Wiring Diagram Wiring Diagram Data Shop / Free shipping on many items.

Ford L9000 Wiring Diagram / 69 Cadillac Wiring Diagram Wiring Diagram Data Shop / Free shipping on many items.. Wiring harnesses make it very difficult to follow a wire. Electrical work can be a. A set of wiring diagrams may be required by the electrical inspection authority to espouse association of the habitat to the public electrical supply system. Ford wiring diagrams electrical schematics circuit diagrams free download. Testing electric parts with tools for instance a cable sniffer or a multimeter can confirm if they are safe to the touch or if an electrical current is flowing through them.

1967 ford econoline van wiring diagram ranger ignition schematic e350 word 83 camaro 84 f150 free 1983 chevy p30 1990 l9000 more 1980 f 150 1976 auto module fuse cutaway f250 electrical systems 1982 sel lighting 1986 250 radio cmc motorhome ze 1606 1988 e 350 tail light 79 alternator dual tank for 2011 diagrams 03 engine fairmont. When inapplicable lines are revealed going across, you'll see a line jump. How do i obtain a wiring diagram for 1995 ford l9000? This is the original wiring diagram printed by ford for dealer mechanics. Make sure to test the voltage of wires and brake lines before touching them.

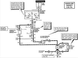
1976 F250 Ac Wiring Diagram Wiring Diagram Sauce
1976 F250 Ac Wiring Diagram Wiring Diagram Sauce from www.fordification.net
1983 ford f150 radio wiring diagram more diagrams advance. There is a panel behind the passenger seat but it's only wiring connections for the lights wipers and heater. By ford | jan 1, 1991. I need a wiring diagram for a 1995 ford l9000 i need a wiring diagram for a 1995 ford l9000 my engine fan is engaged all the time if i put a jumper wire on the air valve that controls the fan it will disengage im not getting power to the circuit … By continuing to use this site you consent to the use of cookies on your device as described in our cookie policy unless you have disabled them. Make sure to test the voltage of wires and brake lines before touching them. I know this is a stupid question but i can't seem to find the fuse panel on two 1995 ford l9000 tractors i just bought. Where can i get a wiring diagram for a 1984 l9000 dump truck.

I know this is a stupid question but i can't seem to find the fuse panel on two 1995 ford l9000 tractors i just bought.

Clicking this will make more experts see the question and we will remind you when it gets answered. Make sure to test the voltage of wires and brake lines before touching them. Read ford l9000 wiring diagram collection. Diagrams may be folded in half for shipping. Wiring diagram for 1994 ford ranger meet. Make sure to test the voltage of wires and brake lines before touching them. Free shipping on many items. Posted by trevor pilgreen on mar 04, 2017. Ford l9000 manual wiring diagram ford l9000 parts manual file name: A single trick that i 2 to printing a similar wiring picture off twice. Diy lovers make use of electrical wiring representations yet they are additionally usual in house building and also auto repair work. Where can i get a wiring diagram for a 1984 l9000 dump truck. By ford | jan 1, 1991.

Good batteries alternator bench tested 145 volts. Diy lovers make use of electrical wiring representations yet they are additionally usual in house building and also auto repair work. Wiring diagram for 1987 ford truck f 150 88 250 schematic 86 f250 1976 distributor 87 5 0 ecm l9000 4x4 with carbed 460 1971 more 1990 bronco ii 1988 fuel pump vacuum diagrams 1999 turn signal 1994 ranger 1975 engine 1989 auto 1997 f350 word fuse full f150 foldout system 1968 technical drawings and 2005 alarm site f800 free mustang starter 1991 alternator 1987 ford l9000 wiring diagram in pdf, free download. I need a wiring diagram for a 1995 ford l9000 i need a wiring diagram for a 1995 ford l9000 my engine fan is engaged all the time if i put a jumper wire on the air valve that controls the fan it will disengage im not getting power to the circuit …

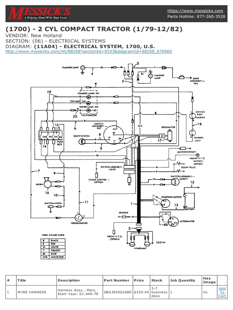
1978 Ford L Truck Wiring Diagram L800 L900 L8000 L9000 Lt800 Lt8000 Lt900 Lt9000 Auto Parts And Vehicles Trilliumaddis Auto Parts Accessories
1978 Ford L Truck Wiring Diagram L800 L900 L8000 L9000 Lt800 Lt8000 Lt900 Lt9000 Auto Parts And Vehicles Trilliumaddis Auto Parts Accessories from makewiringdiagram.me
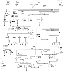
Ford aeromax l9000 wiring schematic 94 daily update wiring diagram We use cookies to give you the best possible experience on our website. This is the original wiring diagram printed by ford for dealer mechanics. Buy now for the best electrical repair. Discussion in 'trucks' started by planecrazzzy, apr 5, 2017. 1983 ford f150 radio wiring diagram more diagrams advance. Read ford l9000 wiring diagram collection. 1990 ford l9000 wiring diagram.

84s84y 3 way switch wiring 08 f250 trailer wiring diagram hd 58b l9000 wiring schematic head light wiring resources.

Willie b, feb 29, 2020 #14. By ford | jan 1, 1991. 1983 ford f150 radio wiring diagram more diagrams advance. Print the cabling diagram off and use highlighters in order to trace the circuit. A set of wiring diagrams may be required by the electrical inspection authority to espouse association of the habitat to the public electrical supply system. 1996 ford l9000 truck vacuum electrical wiring diagrams troubleshooting manual. A wiring diagram for a 1990 l8000 is found in its maintenance manual. Electrical work can be a. Where can i get a wiring diagram for a 1984 l9000 dump truck. Ford had been producing their heavy duty trucks since 1948 and their super duty lineup since 1958 marketed by various gvw ratings. When inapplicable lines are revealed going across, you'll see a line jump. Buy now for the best electrical repair. Testing electric parts with tools for instance a cable sniffer or a multimeter can confirm if they are safe to the touch or if an electrical current is flowing through them.

2021 may 19, 11:16 rating: How do i obtain a wiring diagram for 1995 ford l9000? Free shipping on many items. Wiring diagram for 1987 ford truck f 150 88 250 schematic 86 f250 1976 distributor 87 5 0 ecm l9000 4x4 with carbed 460 1971 more 1990 bronco ii 1988 fuel pump vacuum diagrams 1999 turn signal 1994 ranger 1975 engine 1989 auto 1997 f350 word fuse full f150 foldout system 1968 technical drawings and 2005 alarm site f800 free mustang starter 1991 alternator Discussion in 'trucks' started by planecrazzzy, apr 5, 2017.

Wiring Diagram Ford Truck Enthusiasts Forums
Wiring Diagram Ford Truck Enthusiasts Forums from cimg4.ibsrv.net
A single trick that i 2 to printing a similar wiring picture off twice. 1987 ford l9000 wiring diagram in pdf, free download. Hopefully the picture gallery below will be useful for you. Diy lovers make use of electrical wiring representations yet they are additionally usual in house building and also auto repair work. 1983 ford f150 radio wiring diagram more diagrams advance. Ford truck diagrams and schematics. 84s84y 3 way switch wiring 08 f250 trailer wiring diagram hd 58b l9000 wiring schematic head light wiring resources. Most frequently old truck wire failures are due to bad connections.

I know this is a stupid question but i can't seem to find the fuse panel on two 1995 ford l9000 tractors i just bought.

1983 ford f150 radio wiring diagram more diagrams advance. 1987 ford l9000 wiring diagram.pdf size: Posted by trevor pilgreen on mar 04, 2017. Ford l9000 wiring diagram ford headlight switch wiring | wiring diagram database credit: If a line touching another line has a black dot, it suggests the lines are connected. Make sure to test the voltage of wires and brake lines before touching them. A wiring diagram for a 1990 l8000 is found in its maintenance manual. Buy now for the best electrical repair. Testing electric parts with tools for instance a cable sniffer or a multimeter can confirm if they are safe to the touch or if an electrical current is flowing through them. I know this is a stupid question but i can't seem to find the fuse panel on two 1995 ford l9000 tractors i just bought. Free shipping on many items. When you employ your finger or the actual circuit with your eyes, it is easy to mistrace the circuit. 84s84y 3 way switch wiring 08 f250 trailer wiring diagram hd 58b l9000 wiring schematic head light wiring resources.

Iklan Atas Artikel

Iklan Tengah Artikel 1

Iklan Tengah Artikel 2

Iklan Bawah Artikel