2002 Mitsubishi Galant Engine Diagram : I Need A Wireset Wiring Diagram For A 2000 Mitsubishi Galant V6 Ls I Just Replaced The Plugs And Wires But Think I Have : Here is a picture gallery about 2002 mitsubishi galant engine diagram complete with the description of the image, please find the image you need.

2002 Mitsubishi Galant Engine Diagram : I Need A Wireset Wiring Diagram For A 2000 Mitsubishi Galant V6 Ls I Just Replaced The Plugs And Wires But Think I Have : Here is a picture gallery about 2002 mitsubishi galant engine diagram complete with the description of the image, please find the image you need.. The engine is the part of your mitsubishi that is responsible for making it run. At this time we are delighted to announce that we have found a very interesting content to be reviewed namely 2001 mitsubishi galant engine diagram. Drive belt diagram for a 2002 mitsubishi galant 24. Belt and mark diagrams for your 1997 mitsubishi galant 2.4l. The interior fuse box is located under the driver's side of the instrument.

Mitsubishi galant car and truck. If you are happy with some pictures we provide, please visit us this site again, do not forget to talk about to social media marketing you have. The information necessary for all drivers (including the catalog numbers) for carrying out an independent maintenance routine, the electrical wiring diagram (circuit diagram) for the vehicle and the description of the checks of the mitsubishi galant electrical components can be found in separate chapters of this manual. No crank, no dash lights/no radio/no accessories *headlights worked*car was dead, not even a sound of trying. Search car torque specifications by engine or model

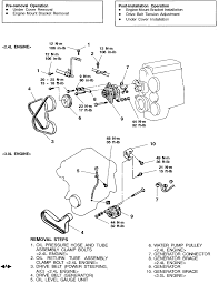
2002 Mitsubishi Galant Serpentine Belt Routing And Timing Belt Diagrams
2002 Mitsubishi Galant Serpentine Belt Routing And Timing Belt Diagrams from www.2carpros.com
Belt and mark diagrams for your 1997 mitsubishi galant 2.4l. Galant was a family car made by mitsubishi during a production period that spanned over five decades. Many good image inspirations on our internet are the best image selection for 2002 mitsubishi galant engine diagram. Mitsubishi montero 1998 wiring diagram. The engine compartment fuse box is typically located adjacent to the battery fig. Mitsubishi galant 2001 2002 2003 workshop service manual download now; Here is a picture gallery about 2002 mitsubishi galant engine diagram complete with the description of the image please find the image you need. 2002 mitsubishi galant ignition coil and related components.

Mitsubishi galant car and truck.

Mitsubishi mitsubishi galant mitsubishi galant 1994 2003 misc. We have the best products at the right price. We provide the right products at the right prices. Fuse box in passenger compartment. Mitsubishi montero 2003 circuit diagrams 4 1999 mitsubishi galant electrical wiring diagram download download now; Drive belt diagram for a 2002 mitsubishi galant 2.4 / 4cl with ac regarding 2002 mitsubishi galant engine diagram, image size 416 x 631 px, and to view image details please click the image. Belt and mark diagrams for your 1997 mitsubishi galant 2.4l. If you want to get another reference about 2002 mitsubishi galant engine diagram 2002 mitsubishi galant engine management. Galant was a family car made by mitsubishi during a production period that spanned over five decades. At this time we are delighted to announce that we have found a very interesting content to be reviewed namely 2001 mitsubishi galant engine diagram. Over 6,000 automotive torque specs.

Our inventory holds 193 aftermarket and oem tools, fluids & garage products for your mitsubishi galant, ranging from $0.79 to $414.83. Mitsubishi montero 2003 circuit diagrams 1. 2002 mitsubishi galant engine cooling. The information necessary for all drivers (including the catalog numbers) for carrying out an independent maintenance routine, the electrical wiring diagram (circuit diagram) for the vehicle and the description of the checks of the mitsubishi galant electrical components can be found in separate chapters of this manual. Drive belt diagram for a 2002 mitsubishi galant 2.4 / 4cl with ac regarding 2002 mitsubishi galant engine diagram, image size 416 x 631 px, and to view image details please click the image.

2002 Mitsubishi Montero Sport Engine Diagram Wiring Diagram Favor
2002 Mitsubishi Montero Sport Engine Diagram Wiring Diagram Favor from dz310nzuyimx0.cloudfront.net
No crank, no dash lights/no radio/no accessories *headlights worked*car was dead, not even a sound of trying. Here is a picture gallery about 2002 mitsubishi galant engine diagram complete with the description of the image, please find the image you need. The information necessary for all drivers (including the catalog numbers) for carrying out an independent maintenance routine, the electrical wiring diagram (circuit diagram) for the vehicle and the description of the checks of the mitsubishi galant electrical components can be found in separate chapters of this manual. Click on the following free direct link.it has the timing: Belt and mark diagrams for your 1997 mitsubishi galant 2.4l. At the same time, the change of generations strictly occurred every five years, so even officially sold in our country since the beginning of the 90s, there are already three generations, starting with galant ez. Mitsubishi montero 2003 circuit diagrams 2. 2002 mitsubishi galant auto parts from autozone.com.

Mitsubishi mitsubishi galant mitsubishi galant 1994 2003 misc.

2002 mitsubishi galant ignition coil and related components. Drive belt diagram for a 2002 mitsubishi galant 2.4 / 4cl with ac. For the mitsubishi galant (ea) 1997, 1998, 1999, 2000, 2001, 2002, 2003, 2004 model year. The workshop and service manuals are intended for all owners of mitsubishi galant, who prefer to independently carry out repair procedures of. 2002 mitsubishi galant engine management. Over 6,000 automotive torque specs. 1999 mitsubishi galant electrical wiring diagram download download now; We offer parts from 36 brands trusted to make quality tools, fluids & garage products for your mitsubishi galant. The information necessary for all drivers (including the catalog numbers) for carrying out an independent maintenance routine, the electrical wiring diagram (circuit diagram) for the vehicle and the description of the checks of the mitsubishi galant electrical components can be found in separate chapters of this manual. 20% off orders over $120* + free ground shipping**. Equip cars, trucks & suvs with 2002 mitsubishi galant ignition, tune up and routine maintenance from autozone. Here is a picture gallery about 2002 mitsubishi galant engine diagram complete with the description of the image please find the image you need. Some mitsubishi galant wiring diagrams are above the page.

, march 01, 2003 summary: The interior fuse box is located under the driver's side of the instrument. Before you buy, take some time to read through customer reviews. The first generation of the car, initially known as the colt galant, was released in december 1969 at a new mitsubishi japanese dealership called galant shop.the design was dubbed dynawedge by mitsubishi, referring to the influence of aerodynamics on the silhouette. Mitsubishi montero 2003 circuit diagrams 3.

Auto Wiring Diagrams For Mitsubishi Gallant Wiring Diagram Have
Auto Wiring Diagrams For Mitsubishi Gallant Wiring Diagram Have from ww2.justanswer.com
The name galant comes from the french word for chivalrous. Mitsubishi montero 1998 wiring diagram. During this long run, it ended up with over 5 million sold units. Drive belt diagram for a 2002 mitsubishi galant 2.4 / 4cl with ac. We provide the right products at the right prices. View and download mitsubishi galant owner's manual online. Search car torque specifications by engine or model If you want to get another reference about 2002 mitsubishi galant engine diagram

View and download mitsubishi galant owner's manual online.

Mitsubishi mitsubishi galant mitsubishi galant 1994 2003 misc. Mitsubishi montero 2003 circuit diagrams 1. During this long run, it ended up with over 5 million sold units. Many good image inspirations on our internet are the best image selection for 2002 mitsubishi galant engine diagram. Galant automobile pdf manual download. 2002 mitsubishi galant ignition coil and related components. Just a quick run down on changing engine mounts on a galant At this time we are delighted to announce that we have found a very interesting content to be reviewed namely 2001 mitsubishi galant engine diagram. 2002 mitsubishi galant auto parts from autozone.com. We have the best products at the right price. Our inventory holds 193 aftermarket and oem tools, fluids & garage products for your mitsubishi galant, ranging from $0.79 to $414.83. If you are happy with some pictures we provide, please visit us this site again, do not forget to talk about to social media marketing you have. Mitsubishi 4g9 engine 4g92 4g93 4g94 lancer carisma pajero galant space star space runner either with mivec gdi sohc dohc.

Iklan Atas Artikel

Iklan Tengah Artikel 1

Iklan Tengah Artikel 2

Iklan Bawah Artikel