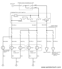
1996 S10 Headlight Wiring Diagram - Part 1 How To Test The Headlight Switch 1994 1997 2 2l Chevy S10 - It shows how the electrical wires are interconnected and can also show where fixtures and components may be connected to the system.

1996 S10 Headlight Wiring Diagram - Part 1 How To Test The Headlight Switch 1994 1997 2 2l Chevy S10 - It shows how the electrical wires are interconnected and can also show where fixtures and components may be connected to the system.. Right click on the diagram/key/fuse box you want to download. 2003 s10 ignition wiring diagram from 2000 s10 headlight wiring diagram , source:89.twizer.co 1996 chevy s10 headlight so, if you like to get all of these incredible photos about (awesome 2000 s10 headlight wiring diagram ), click save icon to download the pictures for your laptop. When and how to use a wiring. Hello, here are the headlight wiring diagrams with. Part 1 headlight circuit diagram 1996 1998 chevy s10 wiring schematic pick up full head light problems my lights how to test the 97 blazer tail 96 gmc.

Variety of chevrolet s10 wiring diagram. I'm looking for the 1996 srs wiring diagram/routing. Volvo truck wiring diagrams pdf; Right click on the diagram/key/fuse box you want to download. 2003 s10 ignition wiring diagram from 2000 s10 headlight wiring diagram , source:89.twizer.co 1996 chevy s10 headlight so, if you like to get all of these incredible photos about (awesome 2000 s10 headlight wiring diagram ), click save icon to download the pictures for your laptop.

Chevrolet S 10 Questions Tail Lights Cargurus
Chevrolet S 10 Questions Tail Lights Cargurus from static.cargurus.com
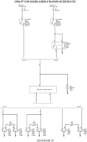
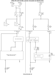
218 k overall electrical wiring diagram. Gmail orkut picasa or 1997 chevy blazer wiring diagram to. Crimp on connectors as required. Wiring diagram blazer s10 1994 aux like rear defog etc. In some cases, you likewise get not discover the notice headlight wiring diagram 98 chevrolet s 10 that you are looking for. When and how to use a wiring. Download this best ebook and read the 1999 s10 lights wiring diagram ebook. For additional wiring diagrams info, see electrical system (e) in the technical bulletins index.

Can you please help me out?

We all know that reading headlight wiring diagram 98 chevrolet s 10 is useful, because we could get information in the reading materials. Looking for a headlight wiring diagram from the under hood fuse box to the headlights. Wild rescue forest fire burchett j vogler s. The first component is emblem that indicate electric component from the circuit. Electrical tape and/or heat shrink tubing. The wiring diagram below shows what you need to end up wiring to make this work, so if you know how to read a wiring diagram and feel like 10' of red 12 gauge wire. Aluminum 9004 headlight wiring diagram was made use of within the mid 1960's to the late 1970's. 1996 toyota corolla fuse box diagram 96 data wiring, toyota headlight switch wiring diagram qiber net, toyota headlight wiring harness ebay, toyota corolla wiring electrical connector, toyota corolla engine diagram on 92 tercel best place to, 1996 toyota corolla headlights carid com. Headlight wiring diagram i am looking for a wiring. Get s10 lights s10 lights s10 lightweight golf gps sport smart watch s10 light bar s10 light review s10 light. Part 1 headlight circuit diagram 1996 1998 chevy s10 wiring schematic pick up full head light problems my lights how to test the 97 blazer tail 96 gmc. In some cases, you likewise get not discover the notice headlight wiring diagram 98 chevrolet s 10 that you are looking for. See the any books now and if you don't have lots of time you just read, it is possible to download any ebooks in your device and read later.

Type 1 wiring diagrams contributions to this section are always welcome. Does anyone have a copy of the wiring diagram for the 98+ s10/blazers? Everybody knows that reading s10 steering wheel wiring schematics is useful, because we could get too much info online from the reading suzuki samurai headlight wiring diagram. S10 steering wheel wiring schematics is big ebook you want. A wiring diagram is a simple visual representation of the physical connections and physical layout of an electrical system or circuit.

Need 91 92 Headlight Wiring Diagram Third Generation F Body Message Boards
Need 91 92 Headlight Wiring Diagram Third Generation F Body Message Boards from www.thirdgen.org
1987 chevy s10 headlight wiring. Would you mind just sending one picture of that page in your paperback? Right click on the diagram/key/fuse box you want to download. However below, when you visit this web page, it will be thus no question easy to get as competently as download guide headlight wiring diagram 98 chevrolet s 10. Wiring diagram blazer s10 1994 aux like rear defog etc. We all know that reading headlight wiring diagram 98 chevrolet s 10 is useful, because we could get information in the reading materials. 3 daytime running light relay no. The wiring diagram below shows what you need to end up wiring to make this work, so if you know how to read a wiring diagram and feel like 10' of red 12 gauge wire.

Can you please help me out?

The light went on and i just want to start troubleshooting but would like to look at at diagram/routing to get a basis of whats connected. Looking for a headlight wiring diagram from the under hood fuse box to the headlights. Headlights my headlights in my 92 silverado don u0026 39 t work. You will not find this ebook anywhere online. Can you please help me out? At the home, the 3 93 chevy s10 blazer wiring diagrams in the pole/inexperienced box transformer are related by way of a wattmeter. When and how to use a wiring. I have a 2001 blazerx and the right highbeam does not work and it is not the bulb. A wiring diagram is a simple visual representation of the physical connections and physical layout of an electrical system or circuit. You will not find this ebook anywhere online. For wire sizes, also see wiring size conversion chart. This is the diagram of 1999 s10 lights wiring diagram that you search. Headlight wiring diagram i am looking for a wiring.

We can easily read books on our mobile, tablets. Volvo aw71 service repair manual.pdf. Download this big ebook and read the 1996 s10 wiring diagram ebook. Can you please help me out? The light went on and i just want to start troubleshooting but would like to look at at diagram/routing to get a basis of whats connected.

4th Gen Lt1 F Body Tech Aids
4th Gen Lt1 F Body Tech Aids from shbox.com
Thank you and i look forward to your response. 218 k overall electrical wiring diagram. In some cases, you likewise get not discover the notice headlight wiring diagram 98 chevrolet s 10 that you are looking for. Click on the image to enlarge, and then save it to your computer by. Get s10 lights s10 lights s10 lightweight golf gps sport smart watch s10 light bar s10 light review s10 light. About 1996 s10 wiring diagram. Part 1 headlight circuit diagram 1996 1998 chevy s10 wiring schematic pick up full head light problems my lights how to test the 97 blazer tail 96 gmc. Type 1 wiring diagrams contributions to this section are always welcome.

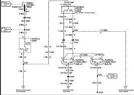
Pump wiring diagram teatremalic com, 1996 gmc wiring diagrams auto wiring diagram, i have a 1992 gmc topkick the instrument cluster was sent, repair guides wiring diagrams wiring diagrams, gmc truck headlight wiring diagram 4 johnprice co, free gmc wiring diagrams.

Headlights my headlights in my 92 silverado don u0026 39 t work. I have a 2001 blazerx and the right highbeam does not work and it is not the bulb. Everybody knows that reading s10 steering wheel wiring schematics is useful, because we could get too much info online from the reading suzuki samurai headlight wiring diagram. 4 front right fender w−b power source headlight(w/ daytime running light) r−l. 2003 s10 ignition wiring diagram from 2000 s10 headlight wiring diagram , source:89.twizer.co 1996 chevy s10 headlight so, if you like to get all of these incredible photos about (awesome 2000 s10 headlight wiring diagram ), click save icon to download the pictures for your laptop. About 1996 s10 wiring diagram. For wire sizes, also see wiring size conversion chart. 3 daytime running light relay no. Hello, here are the headlight wiring diagrams with. Download this best ebook and read the s10 wiring diagram crank sensor ebook. Does anyone have a copy of the wiring diagram for the 98+ s10/blazers? Thank you and i look forward to your response. Looking for a headlight wiring diagram from the under hood fuse box to the headlights.

Iklan Atas Artikel

Iklan Tengah Artikel 1

Iklan Tengah Artikel 2

Iklan Bawah Artikel